跳转到主要内容
瑞萨电子 (Renesas Electronics Corporation)

特性

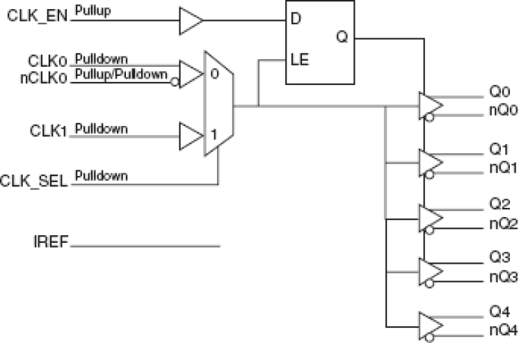
  • Five 0.7V differential HCSL outputs
  • Selectable differential CLK0, nCLK0 or LVCMOS inputs
  • CLK0, nCLK0 pair can accept the following differential input levels: LVPECL, LVDS, LVHSTL, HCSL
  • CLK1 can accept the following input levels: LVCMOS or LVTTL
  • Maximum output frequency: 500MHz
  • Translates any single-ended input signal to 3.3V HCSL levels with resistor bias on nCLK input
  • Output skew: 100ps (maximum)
  • Part-to-part skew: 600ps (maximum)
  • Propagation delay: 3.2ns (maximum)
  • Additive phase jitter, RMS: 0.24ps (typical)
  • 3.3V operating supply
  • -40°C to 85°C ambient operating temperature
  • Available in lead-free (RoHS 6) package

描述

The 85105I is a low skew, high performance 1-to-5 Differential-to-0.7V HCSL Fanout Buffer. The 85105I has two selectable clock inputs. The CLK0, nCLK0 pair can accept most standard differential input levels. The single-ended CLK1 can accept LVCMOS or LVTTL input levels. The clock enable is internally synchronized to eliminate runt clock pulses on the outputs during asynchronous assertion/deassertion of the clock enable pin. Guaranteed output and part-to-part skew characteristics make the 85105I ideal for those applications demanding well defined performance and repeatability.

当前筛选条件