跳转到主要内容
瑞萨电子 (Renesas Electronics Corporation)
替代产品

特性

  • Two differential 2.5V/3.3V LVPECL / ECL outputs
  • One CLK, nCLK input pair
  • CLK, nCLK pair can accept the following differential input levels: LVDS, LVPECL, LVHSTL, SSTL, HCSL
  • Maximum output frequency: 1GHz
  • Translates any single ended input signal to 3.3V LVPECL levels with resistor bias on nCLK input
  • Output skew: 20ps (maximum)
  • Part-to-part skew: 350ps (maximum)
  • Propagation delay: 2.1ns (maximum)
  • Additive phase jitter, RMS: 0.14ps (typical), 3.3V
  • LVPECL mode operating voltage supply range: VCC = 2.375V to 3.465V, VEE = 0V
  • ECL mode operating voltage supply range: VCC = 0V, VEE = -2.375V to -3.465V
  • -40°C to 85°C ambient operating temperature
  • Available in lead-free (RoHS 6) package

描述

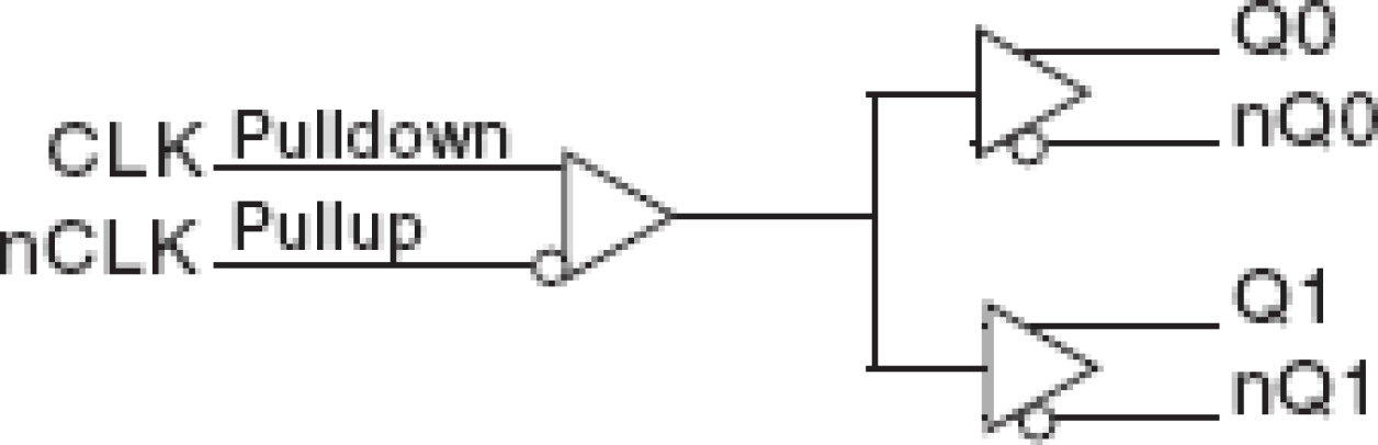
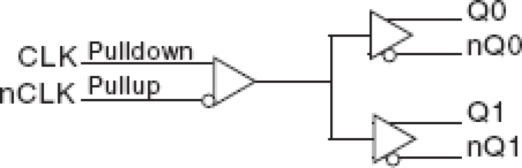
The 85311I is a low skew, high performance 1-to-2 Differential-to-2.5V/3.3V ECL/LVPECL Fanout Buffer and a member of the HiPerClockS™ family of High Performance Clock Solutions from IDT. The CLK, nCLK pair can accept most standard differential input levels. The 85311I is characterized to operate from either a 2.5V or a 3.3V power supply. Guaranteed output and part-to-part skew characteristics make the 85311I ideal for those clock distribution applications demanding well defined performance and repeatability.

当前筛选条件