跳转到主要内容
瑞萨电子 (Renesas Electronics Corporation)

特性

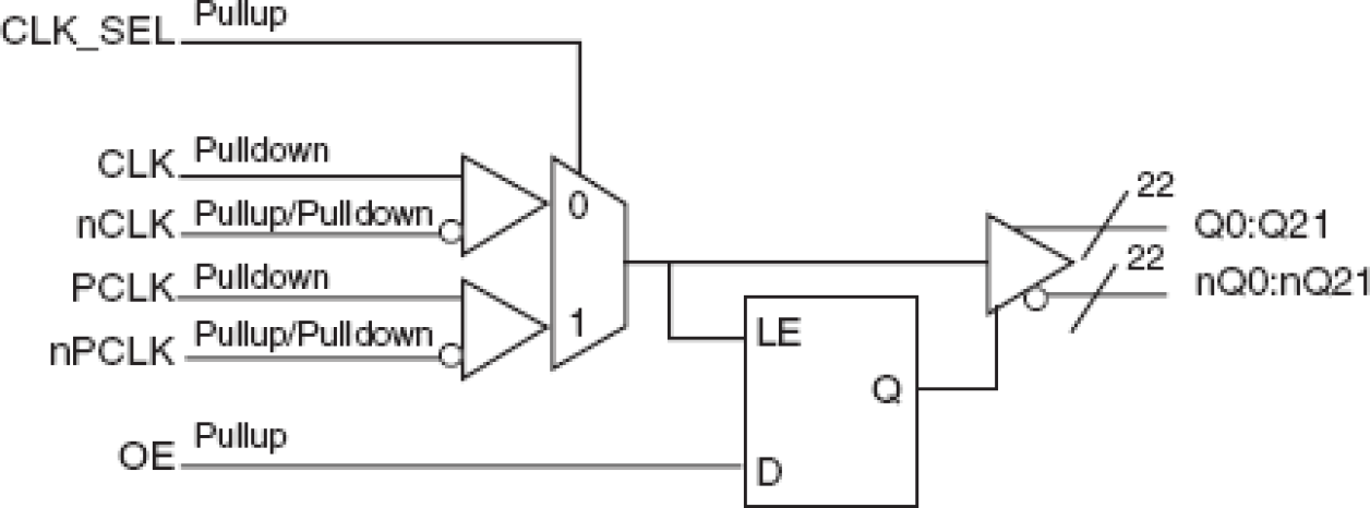
  • Twenty-two differential LVPECL outputs
  • Selectable differential CLK, nCLK or LVPECL clock inputs
  • CLK, nCLK pair can accept the following differential input levels: LVPECL, LVDS, LVHSTL, HCSL, SSTL
  • PCLK, nPCLK supports the following input levels: LVPECL, CML, SSTL
  • Maximum output frequency: 500MHz
  • Output skew: 100ps (maximum)
  • Translates any single-ended input signal (LVCMOS, LVTTL, GTL) to LVPECL levels with resistor bias on nCLK input
  • Additive phase jitter, RMS): 0.15ps (typical)
  • Full 3.3V supply mode
  • 0°C to 85°C ambient operating temperature
  • Available in lead-free (RoHS 6) package

描述

The 8534-01 is a low skew, 1-to-22 Differential-to-3.3V LVPECL Fanout Buffer. The 8534-01 has two selectable clock inputs. The CLK, nCLK pair can accept most standard differential input levels. The PCLK, nPCLK pair can accept LVPECL, CML, or SSTL input levels. The device is internally synchronized to eliminate runt pulses on the outputs during asynchronous assertion/deassertion of the OE pin. The 8534-01's low output and part-to-part skew characteristics make it ideal for workstation, server, and other high performance clock distribution applications.

当前筛选条件