跳转到主要内容

特性

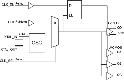
  • One differential 3.3V LVPECL outputs, and three single ended 2.5V LVCMOS outputs
  • Selectable LVCMOS/LVTTL CLK or crystal inputs
  • CLK can accept the following input levels: LVCMOS, LVTTL
  • Crystal frequency: 25MHz
  • Maximum output frequency: 266MHz
  • Output skew: 55ps (typical)
  • Part-to-part skew: 800ps (typical)
  • Propagation delay: 3.3ns (typical)
  • Additive phase jitter, RMS: 0.16ps (typical)
  • LVPECL output, 3.3V operating supply LVCMOS output, 2.5V operating supply
  • -40°C to 85°C ambient operating temperature
  • Available in both standard (RoHS 5) and lead-free RoHS 6) packages

描述

The 8534I-13 is a low skew, high performance 1-to-4 Crystal Oscillator/LVCMOS-to-3.3V LVPECL/ LVCMOS fanout buffer and a member of the HiPerClockS™ family of High Performance Clock Solutions from IDT. The 8534I-13 has selectable single ended clock or crystal inputs. The single ended clock input accepts LVCMOS or LVTTL input levels and translate them to 3.3V LVPECL levels. The output enable is internally synchronized to eliminate runt pulses on the outputs during asynchronous assertion/deassertion of the clock enable pin. Guaranteed output and part-to-part skew characteristics make the 8534I-13 ideal for those applications demanding well defined performance and repeatability.

当前筛选条件