| CAD 模型: | View CAD Model |
| Pkg. Type: | TSSOP |
| Pkg. Code: | PGG24 |
| Lead Count (#): | 24 |
| Pkg. Dimensions (mm): | 7.8 x 4.4 x 1.0 |
| Pitch (mm): | 0.65 |
| Moisture Sensitivity Level (MSL) | 1 |
| Pb (Lead) Free | Yes |
| ECCN (US) | EAR99 |
| HTS (US) | 8542.39.0090 |
| Lead Count (#) | 24 |
| Carrier Type | Tube |
| Moisture Sensitivity Level (MSL) | 1 |
| Qty. per Reel (#) | 0 |
| Qty. per Carrier (#) | 62 |
| Pb (Lead) Free | Yes |
| Pb Free Category | e3 Sn |
| Temp. Range (°C) | 0 to 70°C |
| Additive Phase Jitter Typ RMS (fs) | 149 |
| Additive Phase Jitter Typ RMS (ps) | 0.149 |
| Core Voltage (V) | 2.5V, 3.3V |
| Function | Buffer, Multiplexer |
| Input Freq (MHz) | 266 |
| Input Type | Crystal, LVCMOS |
| Inputs (#) | 3 |
| Length (mm) | 7.8 |
| MOQ | 3038 |
| Output Banks (#) | 1 |
| Output Freq Range (MHz) | 266 |
| Output Skew (ps) | 55 |
| Output Type | LVPECL |
| Output Voltage (V) | 2.5V, 3.3V |
| Outputs (#) | 6 |
| Package Area (mm²) | 34.3 |
| Pitch (mm) | 0.65 |
| Pkg. Dimensions (mm) | 7.8 x 4.4 x 1.0 |
| Pkg. Type | TSSOP |
| Product Category | Clock Buffers & Drivers, Clock Multiplexers |
| Requires Terms and Conditions | Does not require acceptance of Terms and Conditions |
| Tape & Reel | No |
| Thickness (mm) | 1 |
| Width (mm) | 4.4 |
| 已发布 | No |
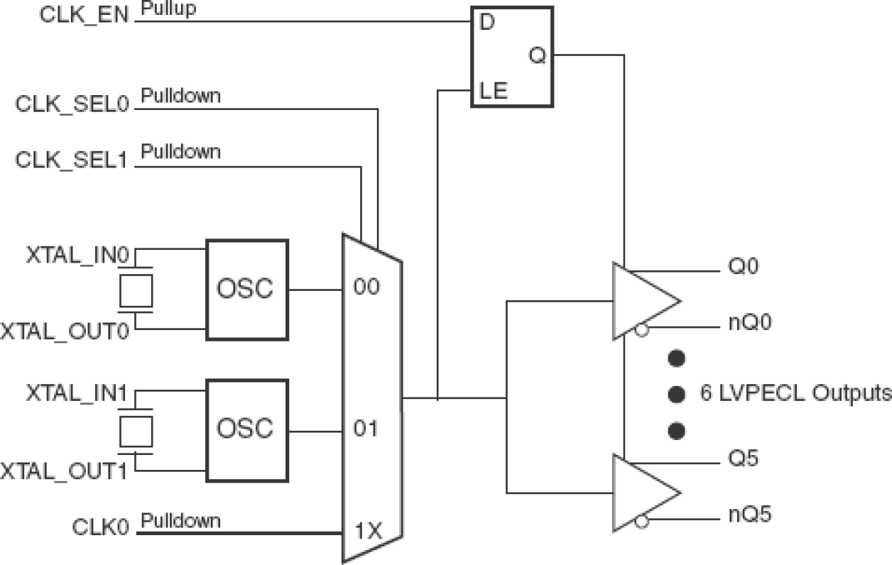
The 8536-02 is a low skew, high performance 1-to-6, Dual Crystal or LVCMOS Input-to-3.3V, 2.5V LVPECL Fanout Buffer. The 8536-02 has selectable crystal or single ended clock input. The single ended clock input accepts LVCMOS or LVTTL input levels and translates them to LVPECL levels. The output enable is internally synchronized to eliminate runt pulses on the outputs during asynchronous assertion/deassertion of the clock enable pin. Guaranteed output and part-to-part skew characteristics make the 8536-02 ideal for those applications demanding well defined performance and repeatability.