跳转到主要内容
注意 - 建议使用以下设备作为替代品:

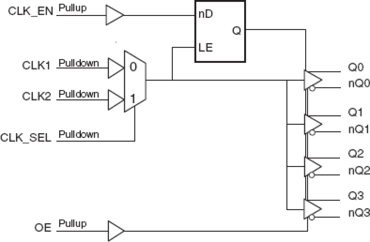
概览

描述

The 8545I-02 is a low skew, high performance 1-to-4 LVCMOS/LVTTL-to-LVDS Clock Fanout Buffer and a member of the  family of High Performance Clock Solutions from IDT. Utilizing Low Voltage Differential Signaling (LVDS) the 8545I-02 provides a low power, low noise, solution for distributing clock signals over controlled impedances of 100Ω. The 8545I-02 accepts an LVCMOS/LVTTL input level and translates it to 3.3V LVDS output levels. Guaranteed output and part-to-part skew characteristics make the 8545I-02 ideal for those applications demanding well defined performance and repeatability.

特性

  • Four differential LVDS output pairs
  • Two LVCMOS/LVTTL clock inputs to support redundant or selectable frequency fanout applications
  • Maximum output frequency: 350MHz
  • Translates LVCMOS/LVTTL input signals to LVDS levels
  • Output skew: 60ps (maximum)
  • Part-to-part skew: 450ps (maximum)
  • Propagation delay: 1.45ns (maximum)
  • Additive phase jitter, RMS: 0.14ps (typical)
  • Full 3.3V supply mode
  • -40°C to 85°C ambient operating temperature
  • Available in lead-free (RoHS 6) package

产品对比

应用

文档

设计和开发

模型

ECAD 模块

点击产品选项表中的 CAD 模型链接,查找 SamacSys 中的原理图符号、PCB 焊盘布局和 3D CAD 模型。如果符号和模型不可用,可直接在 SamacSys 请求该符号或模型。

Diagram of ECAD Models

产品选项

当前筛选条件

支持

支持社区

支持社区

在线询问瑞萨电子工程社群的技术人员,快速获得技术支持。
浏览常见问题解答

常见问题

浏览我们的知识库,了解常见问题的解答。
提交工单

提交工单

需要咨询技术性问题或提供非公开信息吗?