跳转到主要内容
瑞萨电子 (Renesas Electronics Corporation)

特性

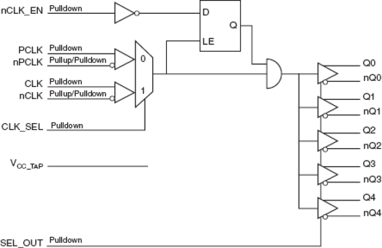
  • Five differential LVDS or LVPECL outputs
  • Two differential clock input pairs
  • CLK, nCLK pair can accept the following differential input levels: LVDS, LVPECL, LVHSTL, SSTL, HCSL
  • PCLK, nPCLK pair can accept the following differential input levels: LVPECL, CML, SSTL
  • Either CLK or PCLK inputs can be configured to accept single-ended inputs
  • Maximum output frequency: >2GHz
  • Output skew: 25ps (typical)
  • Propagation delay: 575ps (typical)
  • Full 3.3V or 2.5V power supply
  • 0°C to 70°C ambient operating temperature
  • Available in lead-free (RoHS 6) package

描述

The 854S015-01 is a low skew, high performance 1-to-5, 2.5V, 3.3V Differential-to-LVPECL/ LVDS Fanout Buffer and a member of the HiPerClockS™ family of High Performance Clock Solutions from IDT. The 854S015-01 has two selectable differential clock inputs. Guaranteed output and part-to-part skew characteristics make the 854S015-01 ideal for those applications demanding well defined performance and repeatability.

当前筛选条件