跳转到主要内容

特性

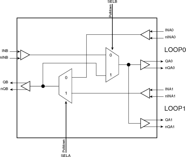
  • Dual 2:1, 1:2 MUX
  • Three LVDS output pairs
  • Three differential clock inputs can accept: LVPECL, LVDS, CML
  • Loopback test mode available
  • Maximum output frequency: 2.5GHz
  • Propagation delay: 600ps (maximum)
  • Part-to-part skew: 300ps (maximum)
  • Additive phase jitter, RMS: 0.031ps (typical)
  • Full 2.5V supply mode
  • -40°C to 85°C ambient operating temperature
  • Available in lead-free (RoHS 6) package

描述

The 854S54I-01 is a 2:1/1:2 Multiplexer. The 2:1 Multiplexer allows one of two inputs to be selected onto one output pin and the 1:2 MUX switches one input to both outputs. This device may be useful for multiplexing multi-rate Ethernet PHYs which have 100Mbit and 1000Mbit transmit/receive pairs onto an optical SFP module which has a single transmit/receive pair. Another mode allows loop back testing and allows the output of a PHY transmit pair to be routed to the PHY input pair. For examples, please refer to the Application Information section of the data sheet. The 854S54I-01 is optimized for applications requiring very high performance and has a maximum operating frequency of 2.5GHz. The device is packaged in a small, 3mm x 3mm VFQFN package, making it ideal for use on space-constrained boards.

当前筛选条件