跳转到主要内容

特性

  • Eight LVCMOS/LVTTL outputs (2 banks of 4 outputs)
  • Selectable differential CLK1, nCLK1 or LVCMOS clock input
  • CLK1, nCLK1 pair can accept the following differential input levels: LVPECL, LVDS, LVHSTL, SSTL, HCSL
  • CLK0 supports the following input types: LVCMOS, LVTTL
  • Maximum output frequency: 250MHz
  • Independent bank control for ÷1 or ÷2 operation
  • Glitchless, asynchronous clock enable/disable
  • Output skew: 105ps (maximum) @ 3.3V core/3.3V output
  • Bank skew: 70ps (maximum) @ 3.3V core/3.3V output
  • 3.3V or 2.5V core/3.3V, 2.5V, or 1.8V output operating supply
  • -40°C to 85°C ambient operating temperature
  • Available in both standard and lead-free RoHS compliant packages

描述

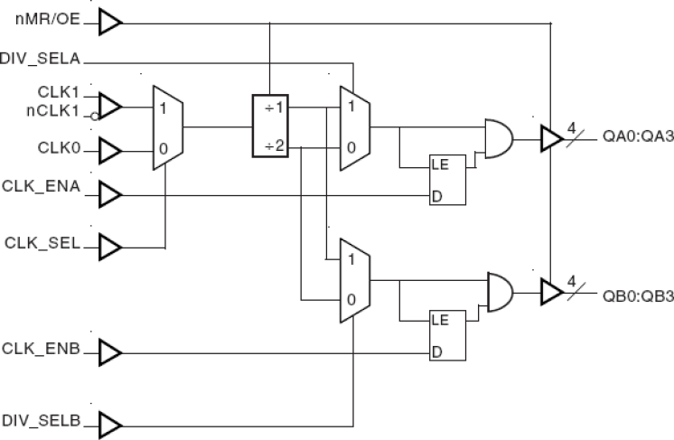
The 87008I is a low skew, 1:8 LVCMOS/LVTTL Clock Generator. The device has 2 banks of 4 outputs and each bank can be independently selected for ÷1 or ÷2 frequency operation. Each bank also has its own power supply pins so that the banks can operate at the following different voltage levels: 3.3V, 2.5V, and 1.8V. The low impedance LVCMOS/ LVTTL outputs are designed to drive 50? series or parallel terminated transmission lines. The divide select inputs, DIV_SELA and DIV_SELB, control the output frequency of each bank. The output banks can be independently selected for ÷1 or ÷2 operation. The bank enable inputs, CLK_ENA and CLK_ENB, support enabling and disabling each bank of outputs individually. The CLK_ENA and CLK_ENB circuitry has a synchronizer to prevent runt pulses when enabling or disabling the clock outputs. The master reset input, nMR/OE, resets the ÷1/÷2 flip flops and also controls the active and high impedance states of all outputs. This pin has an internal pull-up resistor and is normally used only for test purposes or in systems which use low power modes. The 87008I is characterized to operate with the core at 3.3V or 2.5V and the banks at 3.3V, 2.5V, or 1.8V. Guaranteed bank, output, and part-to-part skew characteristics make the 87008I ideal for those clock applications demanding well-defined performance and repeatability.

当前筛选条件