跳转到主要内容
瑞萨电子 (Renesas Electronics Corporation)

特性

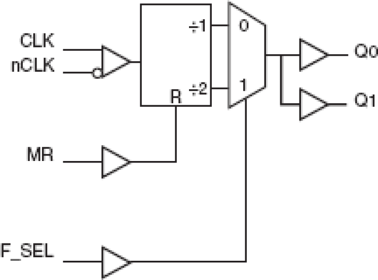
  • Two single-ended LVCMOS/LVTTL outputs
  • One differential CLK, nCLK input pair
  • CLK, nCLK pair can accept the following differential input levels: LVPECL, LVDS, LVHSTL, SSTL, HCSL
  • Maximum output frequency: 250MHz
  • Additive phase jitter, RMS: 0.18ps (typical)
  • Output skew: 50ps (maximum)
  • Part-to-part skew: 450ps (maximum)
  • Propagation delay: 3.4ns (maximum)
  • Full 3.3V or 2.5V operating supply
  • -40°C to 85°C ambient operating temperature
  • Available in lead-free (RoHS 6) package

描述

The 87021I is a high performance ÷1/÷2 Differential-to-LVCMOS/LVTTL Clock Generator and a member of the family of High Performance Clock Solutions from IDT. The CLK, nCLK pair can accept most standard differential input levels. Guaranteed part-to-part skew characteristics make the 87021I ideal for those clock distribution applications demanding well defined performance and repeatability.

当前筛选条件