跳转到主要内容
瑞萨电子 (Renesas Electronics Corporation)

特性

  • Eight LVCMOS/LVTTL outputs, 7Ω typical output impedance
  • Selectable CLK1, nCLK1 or LVCMOS/LVTTL clock inputs
  • CLK1, nCLK1 pair can accept the following differential input levels: LVPECL, LVDS, LVHSTL, HCSL, SSTL
  • CLK0 input accepts LVCMOS or LVTTL input levels
  • Output frequency range: 15.625MHz to 250MHz
  • Input frequency range: 15.625MHz to 250MHz
  • VCO range: 250MHz to 500MHz
  • External feedback for "zero delay" clock regeneration with configurable frequencies
  • Programmable dividers allow for the following output-to-input frequency ratios: 8:1, 4:1, 2:1, 1:1, 1:2, 1:4, 1:8
  • Fully integrated PLL
  • Cycle-to-cycle jitter: 45ps (maximum)
  • Output skew: CLK0, 65ps (maximum) CLK1, nCLK1, 55ps (maximum)
  • Static Phase Offset: 25 ±125ps (maximum), CLK0
  • Full 3.3V or 2.5V operating supply
  • Lead-Free package available
  • -40°C to 85°C ambient operating temperature

描述

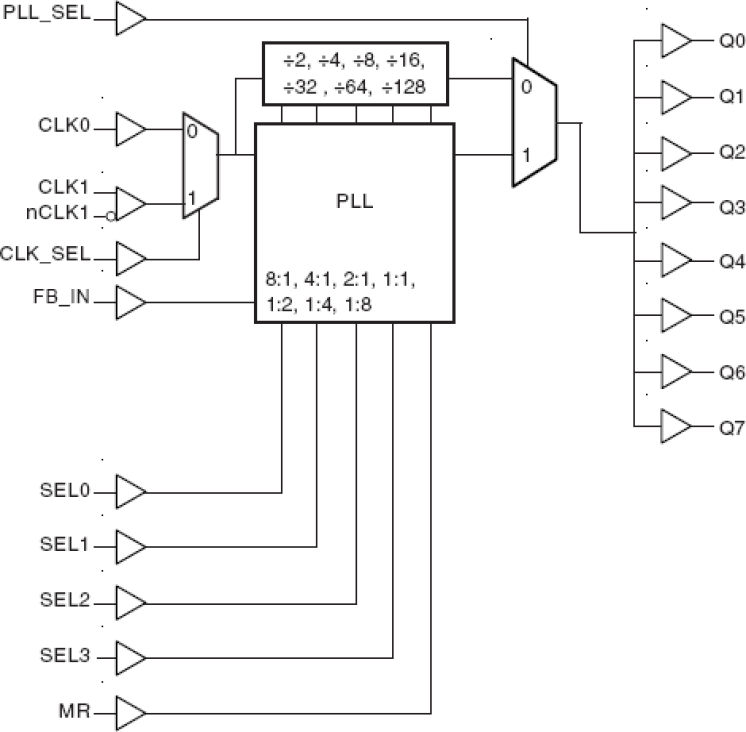
The 8705I is a highly versatile 1:8 Differential-to- LVCMOS/LVTTL Clock Generator. The 8705I has two selectable clock inputs. The CLK1, nCLK1 pair can accept most standard differential input levels. The single ended CLK0 input accepts LVCMOS or LVTTL input levels. The 8705I has a fully integrated PLL and can be configured as zero delay buffer, multiplier or divider and has an input and output frequency range of 15.625MHz to 250MHz. The reference divider, feedback divider and output divider are each programmable, thereby allowing for the following output-to-input frequency ratios: 8:1, 4:1, 2:1, 1:1, 1:2, 1:4, 1:8. The external feedback allows the device to achieve "zero delay" between the input clock and the output clocks. The PLL_SEL pin can be used to bypass the PLL for system test and debug purposes. In bypass mode, the reference clock is routed around the PLL and into the internal output dividers.

当前筛选条件