跳转到主要内容
瑞萨电子 (Renesas Electronics Corporation)

特性

  • Eight 0.7V differential HCSL output pairs, individually selectable for 100MHz or 125MHz for PCIe and Ethernet applications
  • One differential clock input pair CLK/nCLK can accept the following differential input levels: LVPECL, LVDS, M-LVDS, LVHSTL, HCSL
  • One M-LVDS I/O pair (MLVDS/nMLVDS)
  • Output frequency range: 98MHz - 165MHz
  • Input frequency range: 19.6MHz - 165MHz
  • VCO range: 490MHz - 660MHz
  • PCI Express® (2.5 Gb/S) and Gen 2 (5 Gb/s) jitter compliant
  • External feedback for "zero delay" clock regeneration
  • RMS phase jitter @ 125MHz (1.875MHz – 20MHz): 0.57ps (typical)
  • Full 3.3V supply mode
  • -40°C to 85°C ambient operating temperature
  • Available in lead-free (RoHS 6) package

描述

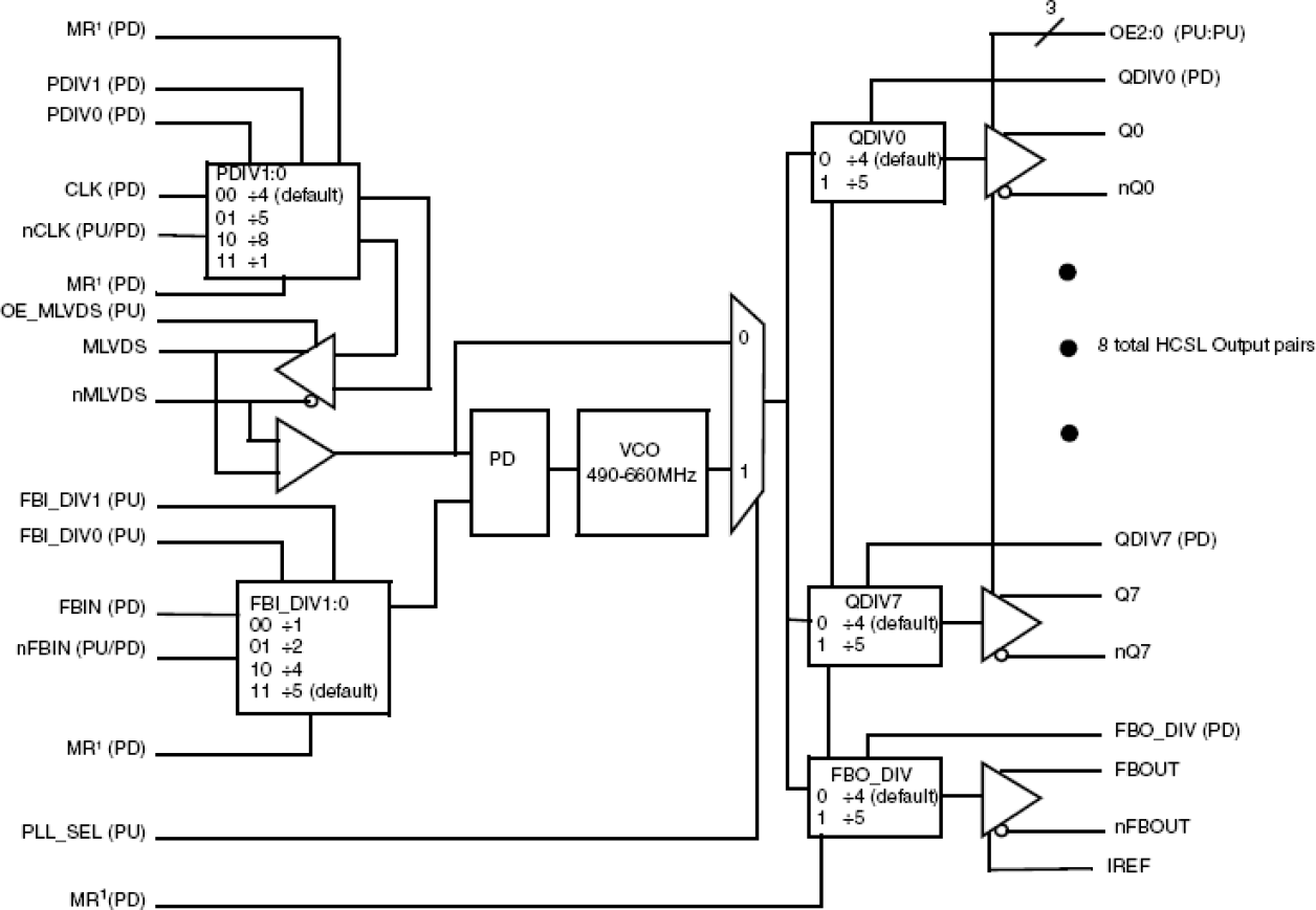
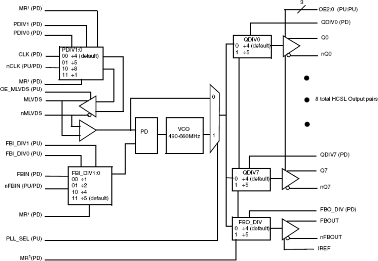
The 8714008I is Zero-Delay Buffer/Frequency Multiplier with eight differential HCSL output pairs, and uses external feedback (differential feedback input and output pairs) for "zero delay" clock regeneration. In PCI Express® and Ethernet applications, 100MHz and 125MHz are the most commonly used reference clock frequencies and each of the eight output pairs can be independently set for either 100MHz or 125MHz. With an output frequency range of 98MHz to 165MHz, the device is also suitable for use in a variety of other applications such as Fibre Channel (106.25MHz) and XAUI (156.25MHz). The M-LVDS Input/Output pair is useful in backplane applications when the reference clock can either be local (on the same board as the 8714008I) or remote via a backplane connector. In output mode, an input from a local reference clock applied to the CLK/nCLK input pins is translated to M-LVDS and driven out to the MLVDS/nMLVDS pins. In input mode, the internal M-LVDS driver is placed in Hi-Z state using the OE_MLVDS pin and MLVDS/nMLVDS pin then becomes an input (e.g. from a backplane). The 8714008I uses very low phase noise FemtoClock technology, thus making it ideal for such applications as PCI Express Generation 1 and 2 as well as for Gigabit Ethernet, Fibre Channel, and 10 Gigabit Ethernet. It is packaged in a 56-VFQFN package (8mm x 8mm).

当前筛选条件