| CAD 模型: | View CAD Model |
| Pkg. Type: | TQFP |
| Pkg. Code: | PPG52 |
| Lead Count (#): | 52 |
| Pkg. Dimensions (mm): | 10.0 x 10.0 x 1.4 |
| Pitch (mm): | 0.65 |
| Moisture Sensitivity Level (MSL) | 3 |
| Pb (Lead) Free | Yes |
| ECCN (US) | EAR99 |
| HTS (US) | 8542.39.0090 |
| Lead Count (#) | 52 |
| Carrier Type | Tray |
| Moisture Sensitivity Level (MSL) | 3 |
| Qty. per Reel (#) | 0 |
| Qty. per Carrier (#) | 160 |
| Pb (Lead) Free | Yes |
| Pb Free Category | e3 Sn |
| Temp. Range (°C) | 0 to 70°C |
| Advanced Features | Feedback Input |
| C-C Jitter Max P-P (ps) | 50 |
| Core Voltage (V) | 3.3 |
| Feedback Input | Yes |
| Input Freq (MHz) | 200 |
| Input Type | HCSL, HSTL, LVCMOS, LVDS, LVPECL, SSTL |
| Inputs (#) | 2 |
| Length (mm) | 10 |
| MOQ | 250 |
| Output Banks (#) | 2 |
| Output Freq Range (MHz) | 350 |
| Output Skew (ps) | 150 |
| Output Type | LVPECL |
| Output Voltage (V) | 3.3 |
| Outputs (#) | 8 |
| Package Area (mm²) | 100 |
| Pitch (mm) | 0.65 |
| Pkg. Dimensions (mm) | 10.0 x 10.0 x 1.4 |
| Pkg. Type | TQFP |
| Product Category | Zero Delay Buffers |
| Prog. Clock | No |
| Requires Terms and Conditions | Does not require acceptance of Terms and Conditions |
| Tape & Reel | No |
| Thickness (mm) | 1.4 |
| Width (mm) | 10 |
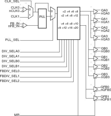
The 8732-01 is a low voltage, low skew, 3.3V LVPECL Clock Generator. The 8732-01 has two selectable clock inputs. The CLK0, nCLK0 pair can accept most standard differential input levels. The single ended clock input accepts LVCMOS or LVTTL input levels. The 8732-01 has a fully integrated PLL along with frequency configurable outputs. An external feedbackinput and outputs regenerate clocks with "zero delay". The 8732-01 has multiple divide select pins for each bank of outputs along with 3 independent feedback divide select pins allowing the 8732-01 to function both as a frequency multiplier and divider. The PLL_SEL input can be usedto bypass the PLL for test and system debug purposes.In bypass mode, the input clock is routed around the PLLand into the internal output dividers.