| CAD 模型: | View CAD Model |
| Pkg. Type: | TSSOP |
| Pkg. Code: | PGG20 |
| Lead Count (#): | 20 |
| Pkg. Dimensions (mm): | 6.5 x 4.4 x 1.0 |
| Pitch (mm): | 0.65 |
| Moisture Sensitivity Level (MSL) | 1 |
| Pb (Lead) Free | Yes |
| ECCN (US) | EAR99 |
| HTS (US) | 8542.39.0090 |
| Lead Count (#) | 20 |
| Carrier Type | Reel |
| Moisture Sensitivity Level (MSL) | 1 |
| Qty. per Reel (#) | 3000 |
| Qty. per Carrier (#) | 0 |
| Pb (Lead) Free | Yes |
| Pb Free Category | e3 Sn |
| Temp. Range (°C) | -40 to 85°C |
| Core Voltage (V) | 3.3 |
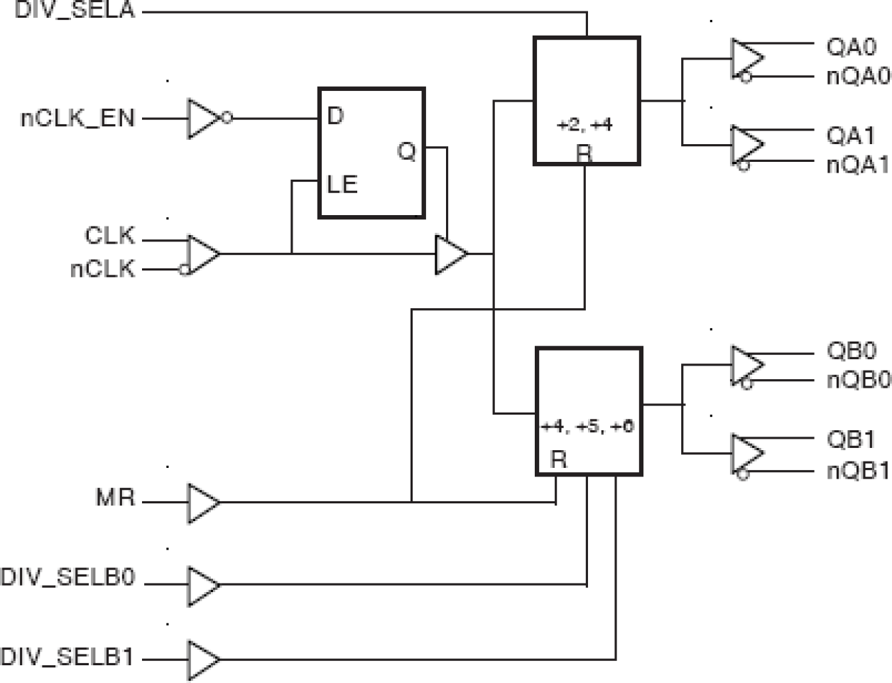
| Divider Value | 2, 4, 5, 6 |
| Function | Buffer, Divider |
| Input Freq (MHz) | 1000 |
| Input Type | LVDS, LVPECL, LVHSTL, SSTL, HCSL, LVCMOS, GTL |
| Inputs (#) | 1 |
| Length (mm) | 6.5 |
| MOQ | 3000 |
| Output Banks (#) | 2 |
| Output Freq Range (MHz) | 500 |
| Output Skew (ps) | 35 |
| Output Type | LVPECL |
| Output Voltage (V) | 3.3 |
| Outputs (#) | 4 |
| Package Area (mm²) | 28.6 |
| Pitch (mm) | 0.65 |
| Pkg. Dimensions (mm) | 6.5 x 4.4 x 1.0 |
| Pkg. Type | TSSOP |
| Product Category | Clock Buffers & Drivers, Clock Dividers |
| Reel Size (in) | 13 |
| Requires Terms and Conditions | Does not require acceptance of Terms and Conditions |
| Tape & Reel | Yes |
| Thickness (mm) | 1 |
| Width (mm) | 4.4 |
The 87339I-11 is a low skew, high performance Differential-to-3.3V LVPECL Clock Generator/Divider. The 87339I-11 has one differential clock input pair. The CLK, nCLK pair can accept most standard differential input levels. The clock enable is internally synchronized to eliminate runt pulses on the outputs during asynchronous assertion/deassertion of the clock enable pin. Guaranteed output and part-to-part skew characteristics make the 87339I-11 ideal for clock distribution applications demanding well defined performance and repeatability.