跳转到主要内容
瑞萨电子 (Renesas Electronics Corporation)
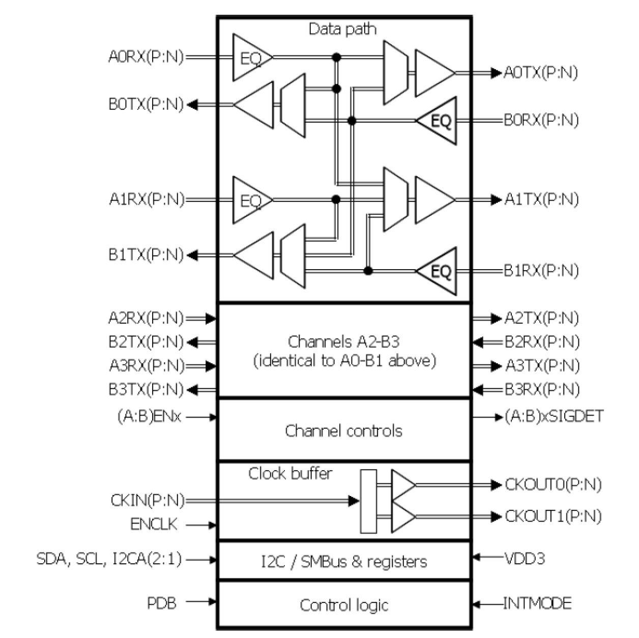
S-RIO Signal Repeater

封装信息

CAD 模型:View CAD Model
Pkg. Type:CABGA
Pkg. Code:AB100
Lead Count (#):100
Pkg. Dimensions (mm):9.0 x 9.0 x 1.7
Pitch (mm):0.8

环境和出口类别

Pb (Lead) FreeNo
Moisture Sensitivity Level (MSL)3
ECCN (US)
HTS (US)

产品属性

Pkg. TypeCABGA
Lead Count (#)100
Pb (Lead) FreeNo
Carrier TypeReel
Moisture Sensitivity Level (MSL)3
Channels (#)8
Data Rate Max (Gbps)6.25
Length (mm)9
MOQ2000
Package Area (mm²)81
Pb Free Categorye0
Pitch (mm)0.8
Pkg. Dimensions (mm)9.0 x 9.0 x 1.7
ProtocolS-RIO
Qty. per Carrier (#)0
Qty. per Reel (#)2000
Reel Size (in)13
Requires Terms and ConditionsDoes not require acceptance of Terms and Conditions
Tape & ReelYes
Temp. Range (°C)-40 to 85°C
Thickness (mm)1.7
Width (mm)9

描述

The IDT 89HP0608R 8-channel S-RIO 2.1 Repeater offers the industry a blend of top analog performance, lower power, and the most system level features in signal repeaters optimized for demanding 2.5Gbps to 6.25Gbps applications in computing, storage, and communications.