特性
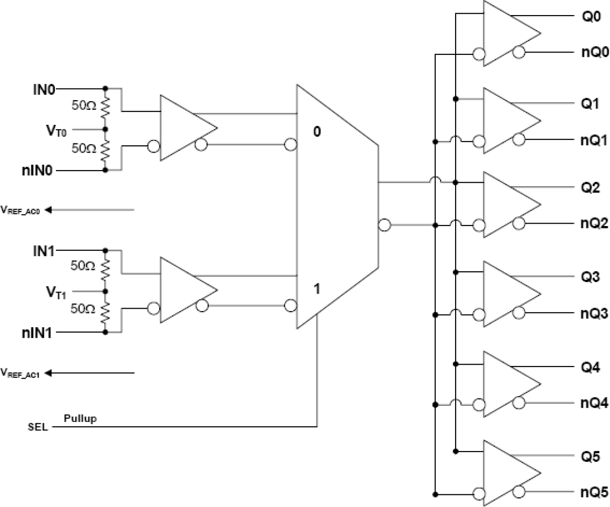
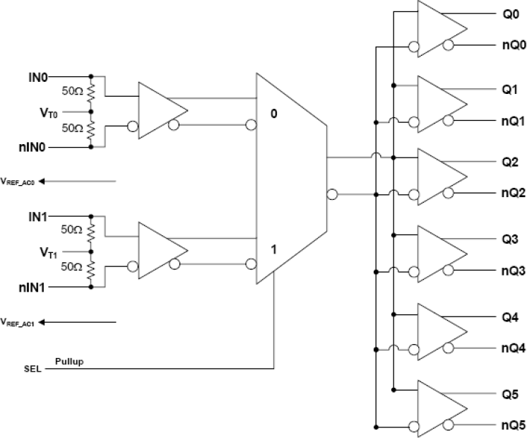
- Six LVPECL outputs
- INx, nINx inputs can accept the following differential input levels: LVPECL, LVDS, CML
- 50Ω internal input termination to VT
- Two selectable differential input pairs
- Maximum output frequency: 3.2GHz
- Output Skew: 45ps (maximum)
- Part-to-part skew: 200ps (maximum)
- Additive phase jitter, RMS: 47fs (typical), (fREF = 622.08MHz, 12kHz to 20MHz, VCC = 3.3V)
- Propagation Delay: 580ps (maximum)
- LVPECL mode operating voltage supply range: VCC = 2.5V±5%, 3.3V±10%, VEE = 0V
- -40 °C to 85 °C ambient operating temperature
描述
The 8S58035I is a high-speed 2-to-6 Differential-to-LVPECL fanout buffer. The 8S58035I is optimized for high-speed and very low output skew, making it suitable for use in demanding applications such as SONET, 1 Gigabit and 10 Gigabit Ethernet, and Fiber Channel. The internally terminated differential inputs and VREF_AC pins allow other differential signal families such as LVDS, LVDS, and CML to be easily interfaced to the input with minimal use of external components. The device also has a 2:1 MUX input, allowing for easy selection between two clock reference sources. The 8S58035I is packaged in a small 5mm x 5mm 32-pin VFQFN package which makes it ideal for use in space-constrained applications.
产品参数
| 属性 | 值 |
|---|---|
| Output Freq Range (MHz) | 3200 |
| Supply Voltage (V) | 2.5 - 2.5, 3.3 - 3.3 |
| Output Type | LVPECL |
| Package Area (mm²) | 25 |
| Battery Backup | No |
| Battery Seal | No |
| CPU Supervisory Function POR | No |
| Crystal Frequency Trimming | No |
| Frequency Out Pin | No |
| Inputs (#) | 2 |
| Input Freq (MHz) | 3200 |
| Adjustable Phase | No |
| Channels (#) | 1 |
| Additive Phase Jitter Typ RMS (fs) | 47 |
| Function | Buffer, Multiplexer |
| Input Type | CML, LVDS, LVPECL |
| Output Banks (#) | 1 |
| Core Voltage (V) | 2.5V, 3.3V |
| Output Voltage (V) | 2.5V, 3.3V |
| Product Category | Clock Buffers & Drivers, Clock Multiplexers, RF Buffers |
封装选项
| Pkg. Type | Pkg. Dimensions (mm) | Lead Count (#) | Pitch (mm) |
|---|---|---|---|
| VFQFPN | 5.0 x 5.0 x 0.9 | 32 | 0.5 |
当前筛选条件