跳转到主要内容

特性

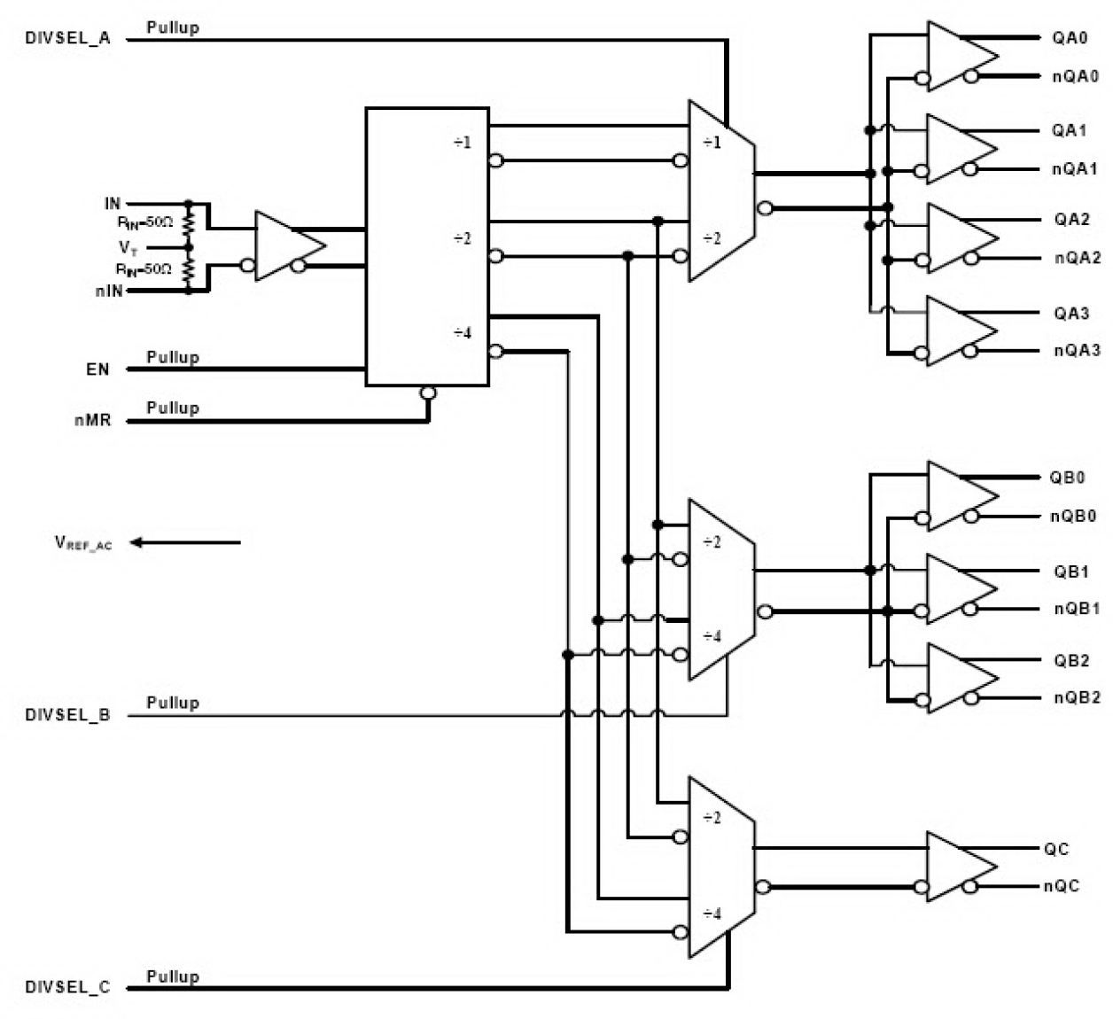
  • Three output banks, consisting of eight LVDS output pairs total
  • INx, nINx inputs can accept the following differential input levels: LVPECL, LVDS, CML
  • Selectable output divider values of ÷1, ÷2, and ÷4
  • Maximum output frequency: 1.5GHz
  • Maximum input frequency: 3GHz
  • Bank Skew: 10ps (typical)
  • Part-to-part skew: 100ps (typical)
  • Additive phase jitter, RMS: 0.170ps (typical)
  • Propagation delay: 802ps (typical)
  • Output rise time: 150ps (typical)
  • 2.5V ±5% operating supply voltage
  • -40 °C to 85 °C ambient operating temperature
  • Available in lead-free (RoHS 6) package

描述

The 8S89200I is a high-speed 1-to-8 differential-to-LVDS clock divider that is optimized for high speed and very low output skew, making it suitable for use in demanding applications such as SONET, 1 Gigabit and 10 Gigabit Ethernet, and Fibre Channel. The internally terminated differential inputs and VREF_AC pins allow other differential signal families such as LVPECL, LVDS, and CML to be easily interfaced to the input with minimal use of external components.

The device also has a selectable ÷1, ÷2, ÷4 output divider, which can allow the part to support multiple output frequencies from the same reference clock. The 8S89200I is packaged in a small 5mm x 5mm 32-pin VFQFN package which makes it ideal for use in space-constrained applications.

当前筛选条件