特性
- Twelve low skew, low additive jitter LVDS output pairs
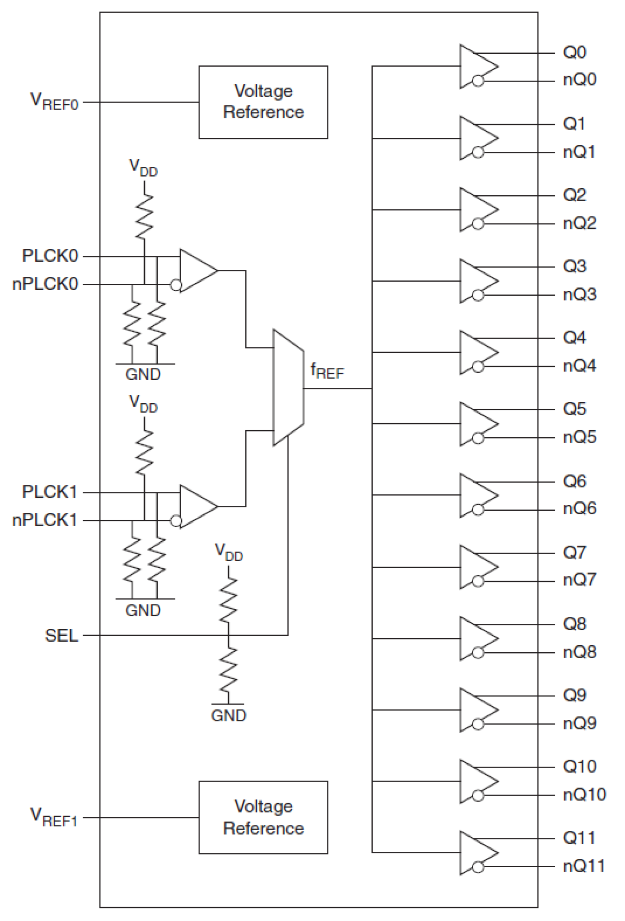
- Two selectable, differential clock input pairs
- Differential PCLK, nPCLK pairs can accept the following differential input levels: LVDS, LVPECL, CML
- Maximum input clock frequency: 2GHz (maximum)
- LVCMOS/LVTTL interface levels for the control input select pins
- Output skew: 40ps (max)
- Propagation delay: 310ps (typical)
- Low additive phase jitter, RMS; fREF = 156.25MHz,
10kHz to 20MHz: 77fs (typical) - Maximum device current consumption (IDD): 213mA
- 2.5V supply voltage
- Lead-free (RoHS 6), 40-lead VFQFN packaging
- -40 °C to 85 °C ambient operating temperature
描述
The 8SLVD1212 is a high-performance differential LVDS fanout buffer. The device is designed for the fanout of high-frequency, very low additive phase noise clock and data signals. The 8SLVD1212 is characterized to operate from a 2.5V power supply. Guaranteed output-to-output and part-to-part skew characteristics make the 8SLVD1212 ideal for those clock distribution applications demanding well-defined performance and repeatability. Two selectable differential inputs and twelve low skew outputs are available. The integrated bias voltage reference enables easy interfacing of single-ended signals to the device inputs. The device is optimized for low power consumption and low additive phase noise.
产品参数
| 属性 | 值 |
|---|---|
| Outputs (#) | 12 |
| Inputs (#) | 2 |
| Channels (#) | 1 |
| Input Freq (MHz) | 2000 |
| Output Freq Range (MHz) | 2000 |
| Output Skew (ps) | 45 |
| Adjustable Phase | No |
| Noise Floor (dBc/Hz) | -160 |
| Additive Phase Jitter Typ RMS (fs) | 65 |
| Output Type | LVDS |
| Supply Voltage (V) | 2.5 - 2.5 |
封装选项
| Pkg. Type | Pkg. Dimensions (mm) | Lead Count (#) | Pitch (mm) |
|---|---|---|---|
| VFQFPN | 6.0 x 6.0 x 0.9 | 40 | 0.5 |
当前筛选条件
加载中