跳转到主要内容

特性

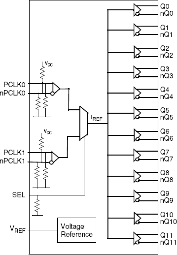
  • Twelve low skew, low additive jitter LVPECL outputs
  • Two selectable, differential clock inputs
  • Differential pairs can accept the following differential input levels: LVDS, LVPECL, CML
  • Maximum input clock frequency: 2GHz
  • LVCMOS interface levels for the control input (input select)
  • Output skew: 15ps (typical)
  • Propagation delay: 550ps (maximum)
  • Low additive phase jitter, RMS: <50fs (typical)
  • Full 3.3V and 2.5V supply voltage
  • Device current consumption (IEE): 118mA (typical)
  • Available in Lead-free (RoHS 6), 40-Lead VFQFN package
  • -40°C to 85°C ambient operating temperature

描述

The 8SLVP1212I is a high-performance, 12 output differential LVPECL fanout buffer. The device is designed for the fanout of high-frequency, very low additive phase-noise clock and data signals. The 8SLVP1212I is characterized to operate from a 3.3V and 2.5V power supply. Guaranteed output-to-output and part-to-part skew characteristics make the 8SLVP1212I ideal for those clock distribution applications demanding well-defined performance and repeatability. Two selectable differential inputs and twelve low skew outputs are available. The integrated bias voltage generators enables easy interfacing of single-ended signals to the device inputs. The device is optimized for low power consumption and low additive phase noise.

产品参数

属性
Temp. Range (°C)-40 to 85°C

封装选项

Pkg. TypePkg. Dimensions (mm)Lead Count (#)Pitch (mm)
VFQFPN6.0 x 6.0 x 0.9400.5

当前筛选条件