跳转到主要内容
瑞萨电子 (Renesas Electronics Corporation)

特性

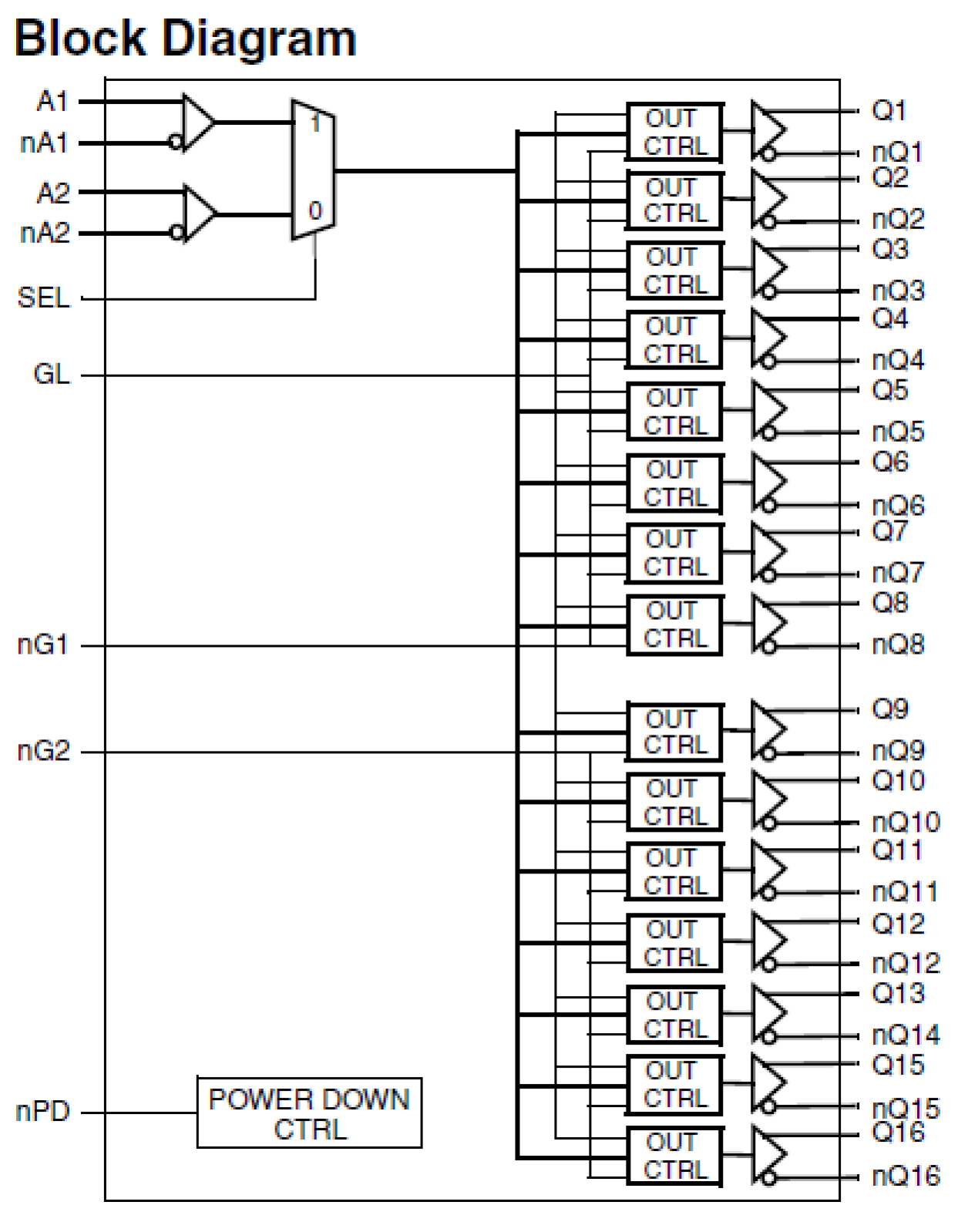
  • Clock signal selection and fanout to 16 LVDS outputs
  • Guaranteed low skew < 50ps (max)
  • Low output pulse skew < 125ps (max)
  • Propagation delay < 1.75ns (max)
  • Up to 1GHz clock signal operation
  • Support the following input types: HSTL, LVPECL, HCSL, LVTTL
  • Selectable differential input
  • Power-down mode
  • Full 2.5V power supply
  • -40 °C to +85 °C ambient operating temperature
  • Lead-free (RoHS 6) 52-lead VFQFN-P packaging
  • Replacement device for the 5T9316

描述

The 8T349316 is a 2.5V differential clock buffer with sixteen LVDS outputs. The fanout from a differential input to the sixteen LVDS outputs reduces loading on the preceding driver and provides an efficient clock distribution network. The 8T349316 can act as a translator from a differential HSTL, LVPECL, CML, or LVDS input to LVDS output signals. A single-ended 3.3V, 2.5V LVCMOS/LVTTL input can also be used to translate to LVDS outputs. The redundant input capability allows for an asynchronous changeover from a primary clock source to a secondary clock source. Selectable reference inputs are controlled by SEL. The 8T349316 outputs can be asynchronously enabled/disabled. When disabled, the outputs will drive to the value selected by the GL pin. Multiple power and grounds reduce noise. The extended temperature range supports wireless infrastructure, telecommunication, and networking end equipment requirements.

当前筛选条件