跳转到主要内容
瑞萨电子 (Renesas Electronics Corporation)

特性

  • Fourth-generation FemtoClock NG technology
  • Universal Frequency Translator (UFT)/Frequency Synthesizer
  • Single output (Q, nQ), programmable as LVPECL or LVDS
  • Zero ppm frequency translation
  • Single differential input supports the following input types: LVPECL, LVDS, LVHSTL, HCSL
  • Input frequency range: 8kHz to 710MHz
  • Crystal input frequency range: 16MHz to 40MHz
  • Two factory-set register configurations for the power-up default state
  • Power-up default configuration pin or register selectable
  • Configurations customized via One-Time Programmable ROM
  • Settings may be overwritten after power-up via I²C
  • I²C serial interface for register programming
  • RMS phase jitter at 155.52MHz, using a 40MHz crystal LVDS output (12kHz to 20MHz): 439fs (typical), Low Bandwidth mode (FracN)
  • RMS phase jitter at 400MHz, using a 40MHz crystal (12kHz to 40MHz): 285fs (typical), Synthesizer mode (Integer FB)
  • Output supply voltage modes:
    • VCC/VCCA/VCCO
      • 3.3V/3.3V/3.3V
      • 3.3V/3.3V/2.5V (LVPECL only)
      • 2.5V/2.5V/2.5V
  • -40 °C to 85 °C ambient operating temperature
  • Lead-free (RoHS 6) packaging

描述

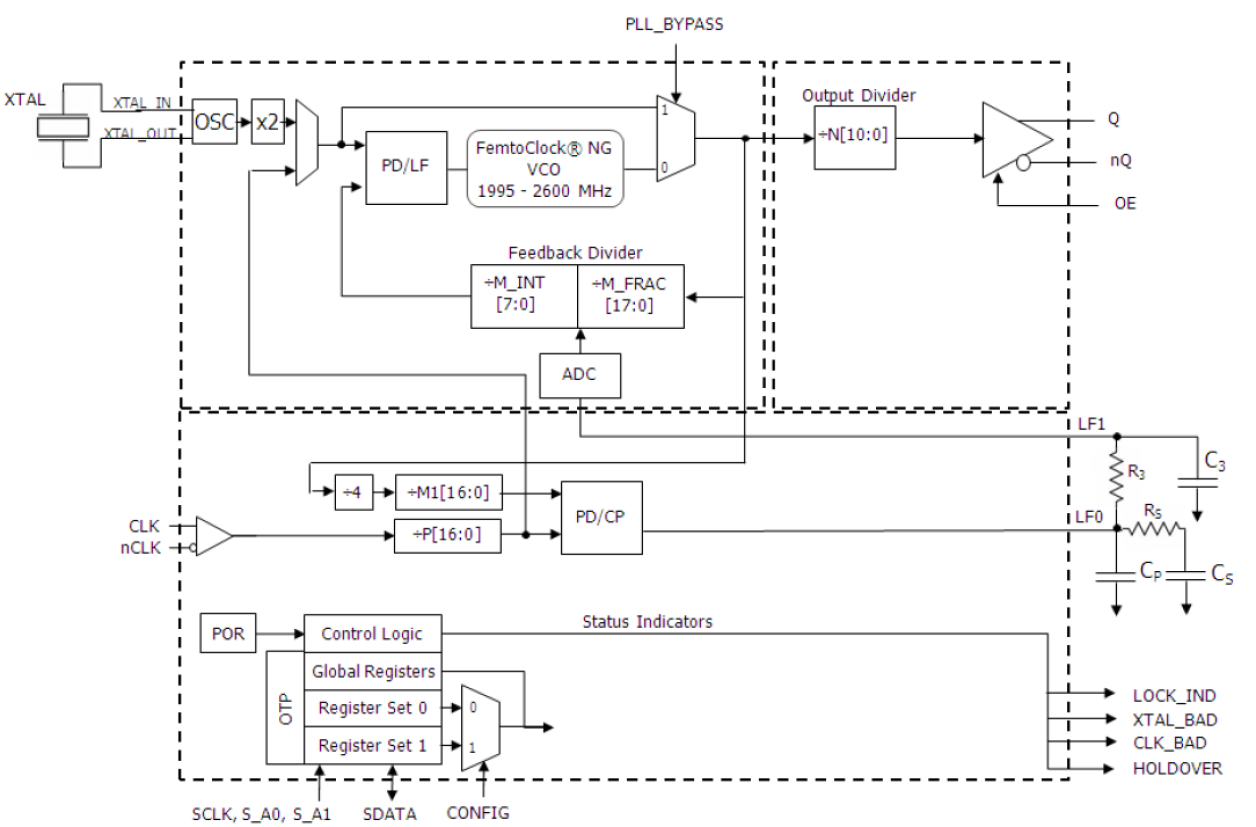
The 8T49N105I is a highly flexible FemtoClock® NG general-purpose, low-phase noise Universal Frequency Translator (UFT)/Synthesizer with alarm and monitoring functions suitable for networking and communications applications. It can generate any output frequency in the 0.98MHz to 312.5MHz range and most output frequencies in the 312.5MHz to 1,300MHz range.

The device has three operating modes to support a very broad spectrum of applications: Frequency Synthesizer, High-Bandwidth Frequency Translator, or Low-Bandwidth Frequency Translator. This device provides two factory-programmed default power-up configurations burned into One-Time Programmable (OTP) memory. The configuration to be used is selected by the CONFIG pin. The two configurations are specified by the customer and are programmed by Renesas during the final test phase from an on-hand stock of blank devices. The two configurations may be completely independent of one another. To implement other configurations, these power-up default settings can be overwritten after power-up using the I²C interface and the device can be completely reconfigured. However, these settings would need to be rewritten the next time the device powers up.

To see other devices in this product family, visit the Universal Frequency Translators page.

当前筛选条件