跳转到主要内容
瑞萨电子 (Renesas Electronics Corporation)

特性

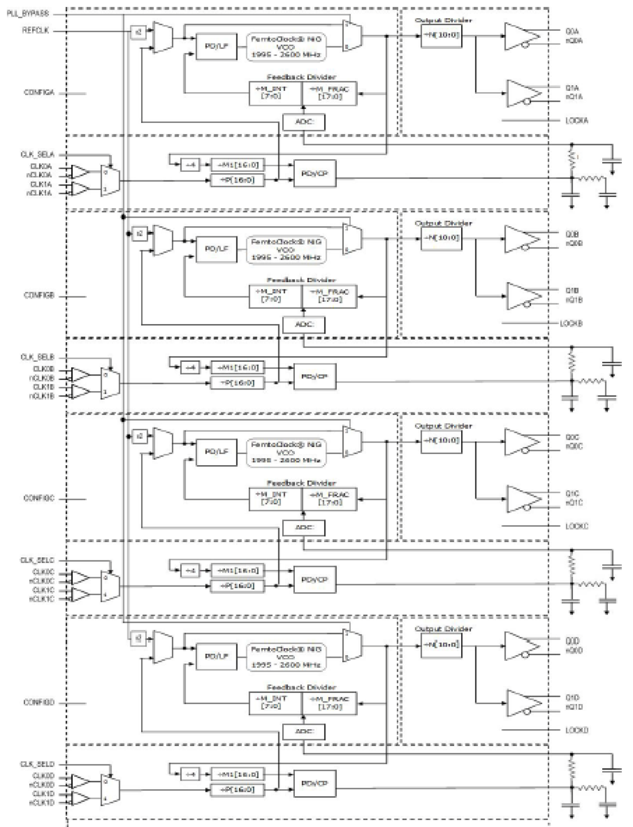
  • Fourth-generation FemtoClock® NG technology
  • Four fully independent PLLs
  • Outputs are programmable as LVPECL or LVDS
  • Programmable output frequency: 0.98MHz up to 1,300MHz
  • Two differential inputs support the following input levels: LVPECL, LVDS, LVHSTL, HCSL
  • Input frequency range: 8kHz to 710MHz
  • Input clock monitor and alarm
  • Smoothed reference switch
  • I²C serial interface for register programming
  • RMS phase jitter: 465fs (typical), Low Bandwidth mode (FracN)
  • RMS phase jitter: 333fs (typical), Synthesizer mode (Integer FB)
  • Full 2.5V ± 5% supply mode
  • -40 °C to 85 °C ambient operating temperature
  • 10mm × 10mm CABGA lead-free (RoHS 6) package
  • Additional family members include Dual-PLL (8T49N244I), Tri-PLL (8T49N366I) and Quad PLL (8T49N445I) devices

描述

The 8T49N488I is a quad PLL with FemtoClock® NG technology, integrating low-phase noise frequency translator/synthesizer, jitter attenuator, and alarm and monitoring functions suitable for networking and communication applications. The device has four fully independent PLLs, each PLL can generate any output frequency in the 0.98MHz to 312.5MHz range and most output frequencies in the 312.5MHz to 1,300MHz range. A wide range of input reference clocks and operation reference clocks may be used as the source for the output frequency. Each PLL has three operating modes to support a very broad spectrum of applications: Frequency Synthesizer, High-Bandwidth Frequency Translator, and Low-Bandwidth Frequency Translator.

To see other devices in this product family, visit the Universal Frequency Translators page.

当前筛选条件