特性
- 高性能时钟 RF 采样时钟发生器和时钟抖动衰减器,支持JESD204B/C
- 低相位噪声:-144.7dBc/Hz(800kHz 偏移;491.52MHz)
- 积分相位噪声:74fs RMS(12kHz–20MHz,491.52MHz)
- 带内部和可选外部 VCO 的双 PLL 架构
- 8 个输出通道,共 16 个输出
- 可配置整数时钟分频器
- 时钟输出频率:高达 3932.16MHz(内部 VCO)和 6GHz(可选外部 VCO)
- 差分、低噪声 I/O
- 确定性相位延迟和集成相位延迟电路
- 冗余输入时钟架构,具有两个输入和监控器,以及保持和输入切换功能
- SPI 3/4 线配置接口
- 电源电压:1.8V、2.5V 和 3.3V
- 封装:76-VFQFN(9 × 9 mm²)
- 温度范围:-40°C 至 +105°C(电路板)
描述
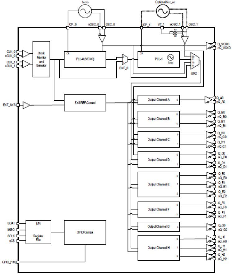
8V19N882 是一款完全集成的 FemtoClock® 射频采样时钟发生器和抖动衰减器,是高性能的时钟解决方案,用于无线基站无线电设备板的调理和频率/相位管理。 该器件经过优化,可提供出色的相位噪声性能,满足 4G、5G、无线电(包括毫米波)实施的要求。
该器件支持 JESD204B(子类 0 和 1)和 JESD204C。 两级 PLL 架构支持抖动衰减和倍频。 第一级 PLL 是抖动衰减器,使用外部 VCXO 来实现最佳的相位噪声特性。 第二级 PLL 锁定第一个 PLL 输出信号并合成目标频率。 第二级 PLL 可使用内部或外部高频 VCO。
该器件从所选 VCO 生成高频时钟和低频同步信号(SYSREF)。 SYSREF 信号在内部与时钟信号同步。 集成的信号延迟模块可用于实现相位对齐、系统基准信号和时钟信号之间的受控相位偏移,以及对齐/延迟单个输出信号。 对两个冗余输入进行活动监控。 该器件提供了四种可选的时钟切换模式,用于处理时钟输入故障情况。 增加了自动锁定、单独可编程的输出分频器和相位调整功能,以提高灵活性。
该器件通过 3/4 线 SPI 接口进行配置,并通过内部寄存器和 GPIO[1:0] 输出报告锁定和信号丢失状态。 内部状态位变化也可以通过 GPIO 输出报告。
有关评估板和材料的信息,请联系您当地的销售代表。
产品参数
| 属性 | 值 |
|---|---|
| Output Freq Range (MHz) | 0.192 - 6000 |
| Accepts Spread Spec Input | No |
| Supply Voltage (V) | 3.3 - 3.3, 2.5 - 2.5, 1.8 - 1.8 |
| Output Type | LVDS, LVPECL |
| Battery Backup | No |
| Battery Seal | No |
| CPU Supervisory Function POR | No |
| Crystal Frequency Trimming | No |
| Frequency Out Pin | No |
| Inputs (#) | 2 |
| Input Freq (MHz) | 0.00375 - 2000 |
| DPLL Channels (#) | 0 |
| JESD204B/C Compliant | Yes |
| Frequency Plan | 3932.16 / Output_Divider |
| Adjustable Phase | Yes |
| Noise Floor (dBc/Hz) | -160 |
| Phase Noise Supports GSM | Yes |
| Synthesis Mode | Integer |
| Input Ref. Divider Resolution (bits) | 15 |
| Feedback Divider Resolution (bits) | 15 |
| Output Divider Resolution (bits) | 7 |
| Input Redundancy | Input Monitor, Auto-switch, Manual input switch, Holdover |
| Channels (#) | 1 |
| Additive Phase Jitter Typ RMS (fs) | 52 |
| Grade | 5G |
| Input Type | LVDS, LVPECL |
| Output Banks (#) | 8 |
| Core Voltage (V) | 1.8 |
| Output Voltage (V) | 1.8V, 2.5V, 3.3V |
封装选项
| Pkg. Type | Pkg. Dimensions (mm) | Lead Count (#) | Pitch (mm) |
|---|---|---|---|
| VFQFPN | 9.0 x 9.0 x 0.85 | 76 | 0.4 |
当前筛选条件
筛选
软件与工具
样例程序
模拟模型
The 8V19N880 and 8V19N882 JESD204B/C clock jitter attenuators deliver low phase noise and exceptional jitter performance as low as 74fs RMS and -90dB spurious attenuation for mission-critical industrial data converter applications in wireless radio, test and measurement, instrumentation, and high-performance imaging. They support frequencies up to 3932.16MHz (up to 6GHz with an external VCO) and feature 16 and 18 integrated differential outputs to deliver a first-in-class balance of high performance, low voltage and low power consumption with 1.8V support.
