| CAD 模型: | View CAD Model |
| Pkg. Type: | VFQFPN |
| Pkg. Code: | NLG72 |
| Lead Count (#): | 72 |
| Pkg. Dimensions (mm): | 10.0 x 10.0 x 1.0 |
| Pitch (mm): | 0.5 |
| Moisture Sensitivity Level (MSL) | 3 |
| Pb (Lead) Free | Yes |
| ECCN (US) | EAR99 |
| HTS (US) | 8542.39.0090 |
| Lead Count (#) | 72 |
| Carrier Type | Tray |
| Moisture Sensitivity Level (MSL) | 3 |
| Qty. per Reel (#) | 0 |
| Qty. per Carrier (#) | 168 |
| Pb (Lead) Free | Yes |
| Pb Free Category | e3 Sn |
| Temp. Range (°C) | -40 to 85°C |
| Advanced Features | 50M output(s), 100M output(s), 156.25M output(s) |
| App Jitter Compliance | PCIe Gen1, PCIe Gen2, PCIe Gen3, XAUI, RXAUI |
| Chipset Manufacturer | Cavium |
| Clock Spec. | Cavium: Period Jitter < 25 ps |
| Core Voltage (V) | 3.3V |
| Feedback Input | No |
| Function | Generator |
| Input Freq (MHz) | 25 - 25 |
| Input Type | Crystal, LVCMOS, LVDS, LVPECL, LVHSTL, HCSL |
| Inputs (#) | 2 |
| Length (mm) | 10 |
| MOQ | 168 |
| Output Banks (#) | 6 |
| Output Freq Range (MHz) | 50 - 50, 100 - 100, 156.25 - 156.25 |
| Output Type | LVCMOS, HCSL |
| Output Voltage (V) | 3.3V |
| Outputs (#) | 9 |
| Package Area (mm²) | 100 |
| Phase Jitter Max RMS (ps) | 0.45 |
| Phase Jitter Typ RMS (ps) | 0.32 |
| Pitch (mm) | 0.5 |
| Pkg. Dimensions (mm) | 10.0 x 10.0 x 1.0 |
| Pkg. Type | VFQFPN |
| Price (USD) | $16.3096 |
| Product Category | General Purpose Clocks, PCI Express Clocks, Processor Clock Generators |
| Prog. Clock | No |
| Reference Output | No |
| Requires Terms and Conditions | Does not require acceptance of Terms and Conditions |
| Spread Spectrum | No |
| Supply Voltage (V) | 3.3 - 3.3 |
| Tape & Reel | No |
| Thickness (mm) | 1 |
| Width (mm) | 10 |
| 已发布 | No |
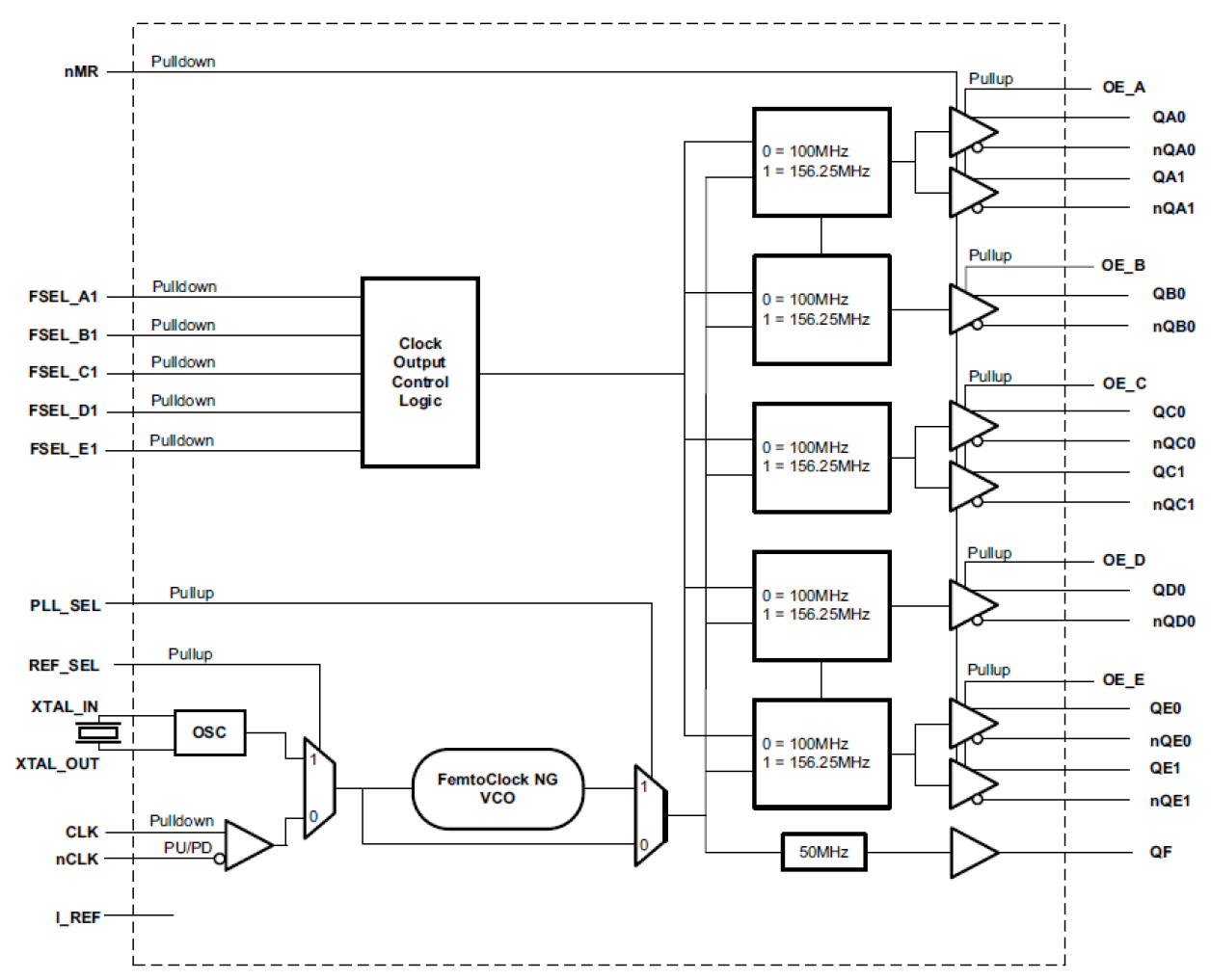
The 8V41N010 is a PLL-based clock generator specifically designed for Cavium Networks Octeon II processors. This high-performance device is optimized to generate the processor core reference clock, the PCI-Express, sRIO, XAUI, SerDes reference clocks, and the clocks for both the Gigabit Ethernet MAC and PHY. The output frequencies are generated from a 25MHz external input source or an external 25MHz parallel resonant crystal. The industrial temperature range of the 8V41N010 supports telecommunication, networking, and storage requirements.