| CAD 模型: | View CAD Model |
| Pkg. Type: | VFQFPN |
| Pkg. Code: | NLG56 |
| Lead Count (#): | 56 |
| Pkg. Dimensions (mm): | 8.0 x 8.0 x 0.85 |
| Pitch (mm): | 0.5 |
| Moisture Sensitivity Level (MSL) | 3 |
| Pb (Lead) Free | Yes |
| ECCN (US) | EAR99 |
| HTS (US) | 8542.39.0090 |
| Lead Count (#) | 56 |
| Carrier Type | Tray |
| Moisture Sensitivity Level (MSL) | 3 |
| Qty. per Reel (#) | 0 |
| Qty. per Carrier (#) | 260 |
| Pb (Lead) Free | Yes |
| Pb Free Category | e3 Sn |
| Temp. Range (°C) | 0 to 70°C |
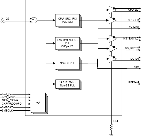
| 100M Non-SSC Outputs | 2 |
| 100M SSC Outputs | 5 |
| 25M Outputs | 0 |
| Advanced Features | DOT96M output pair(s), 48M output(s), 14.318M output(s) |
| App Jitter Compliance | PCIe Gen1, PCIe Gen2, PCIe Gen3, QPI |
| Chipset Manufacturer | Intel |
| Chipset Name | C600, Patsburg, Wellsburg, Lewisburg |
| Clock Spec. | CK420BQ Derivative |
| Diff. Termination Resistors | 36 |
| Function | Clock Generator |
| Length (mm) | 8 |
| MOQ | 260 |
| Output Type | HCSL, LVTTL |
| PCI 33.33M Outputs (#) | 3 |
| Package Area (mm²) | 64 |
| Pitch (mm) | 0.5 |
| Pkg. Dimensions (mm) | 8.0 x 8.0 x 0.85 |
| Pkg. Type | VFQFPN |
| Power Consumption Typ (mW) | 1100 |
| Product Category | Processor Clock Generators |
| Requires Terms and Conditions | Does not require acceptance of Terms and Conditions |
| Supply Voltage (V) | 3.3 - 3.3 |
| Tape & Reel | No |
| Thickness (mm) | 0.85 |
| Width (mm) | 8 |
| Xtal Freq (MHz) | 25 - 25 |
The 932SQ425 is a reduced-pin-count main clock synthesizer for Intel Romley-generation server platforms. The 932SQ425 is driven with a 25 MHz crystal for maximum performance. It generates CPU outputs of 100 or 133.33 MHz.