跳转到主要内容

特性

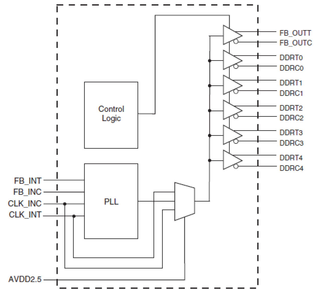
  • Low skew, low jitter PLL clock driver
  • External feedback pins for input to output synchronization
  • Spread Spectrum tolerant inputs with bypass mode mux
  • Operating frequency: 60 to 170 MHz
  • Operating Temperature: -45°C to +85°C
  • Cycle - Cycle jitter: <75ps
  • Output - Output skew: <60ps
  • Output Rise and Fall Time: 650ps - 950ps

描述

2.5V 1 to 4 differential clock distributor. Optimized for clock distribution in DDR SDRAM applications.  Operating frequency: 60MHZ to 220MHz

当前筛选条件