| CAD 模型: | View CAD Model |
| Pkg. Type: | VFQFPN |
| Pkg. Code: | NLG20 |
| Lead Count (#): | 20 |
| Pkg. Dimensions (mm): | 4.0 x 4.0 x 1.0 |
| Pitch (mm): | 0.5 |
| Moisture Sensitivity Level (MSL) | 1 |
| Pb (Lead) Free | Yes |
| ECCN (US) | EAR99 |
| HTS (US) | 8542.39.0090 |
| Lead Count (#) | 20 |
| Carrier Type | Reel |
| Moisture Sensitivity Level (MSL) | 1 |
| Qty. per Reel (#) | 2500 |
| Qty. per Carrier (#) | 0 |
| Pb (Lead) Free | Yes |
| Pb Free Category | e3 Sn |
| Temp. Range (°C) | -40 to 85°C |
| Country of Assembly | TAIWAN |
| Country of Wafer Fabrication | TAIWAN |
| Accepts Spread Spec Input | Yes |
| Advanced Features | Flexible Power Sequencing, Power Down Tolerant, Loss of Signal Indicator |
| App Jitter Compliance | PCIe Gen1, PCIe Gen2, PCIe Gen3, PCIe Gen4, PCIe Gen5 |
| Architecture | Common, SRNS, SRIS |
| Core Voltage (V) | 3.3V |
| Diff. Input Signaling | HCSL |
| Diff. Inputs | 1 |
| Diff. Output Signaling | LP-HCSL |
| Diff. Outputs | 4 |
| Diff. Termination Resistors | 0 |
| Feedback Input | No |
| Function | Fanout Buffer |
| Input Freq (MHz) | 10 - 267 |
| Input Type | HCSL, LVCMOS, LVDS, LVPECL |
| Inputs (#) | 1 |
| Length (mm) | 4 |
| MOQ | 2500 |
| Output Banks (#) | 1 |
| Output Freq Range (MHz) | 10 - 267 |
| Output Impedance | 85 |
| Output Skew (ps) | 50 |
| Output Type | LP-HCSL |
| Output Voltage (V) | 3.3V |
| Outputs (#) | 4 |
| PLL | No |
| Package Area (mm²) | 16 |
| Pitch (mm) | 0.5 |
| Pkg. Dimensions (mm) | 4.0 x 4.0 x 1.0 |
| Pkg. Type | VFQFPN |
| Power Consumption Typ (mW) | 100 |
| Price (USD) | $2.22006 |
| Prog. Clock | No |
| Reel Size (in) | 13 |
| Reference Output | No |
| Spread Spectrum | Yes |
| Supply Voltage (V) | 3.3 - 3.3 |
| Tape & Reel | Yes |
| Thickness (mm) | 1 |
| Width (mm) | 4 |
| 已发布 | No |
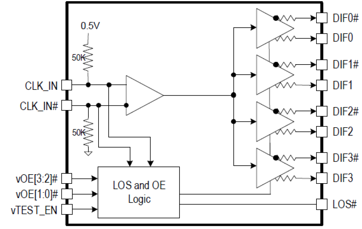
The 9DBL0455 device is a 4-output PCIe clock fanout buffer for PCIe Gen 1–7 applications. It has an open drain Loss of Signal (LOS) output to indicate the absence or presence of an input clock.
For information regarding evaluation boards and material, please contact your local sales representative.