跳转到主要内容
Embedded 56-pin Industrial Temperature Range CK505 Compatible Clock

封装信息

CAD 模型: View CAD Model
Pkg. Type: VFQFPN
Pkg. Code: NLG56
Lead Count (#): 56
Pkg. Dimensions (mm): 8.0 x 8.0 x 0.85
Pitch (mm): 0.5

环境和出口类别

Pb (Lead) Free Yes
ECCN (US) EAR99
HTS (US) 8542.39.0090
Moisture Sensitivity Level (MSL) 3

产品属性

Pkg. Type VFQFPN
Lead Count (#) 56
Pb (Lead) Free Yes
Carrier Type Reel
100M Non-SSC Outputs 1
100M SSC Outputs 5
25M Outputs 0
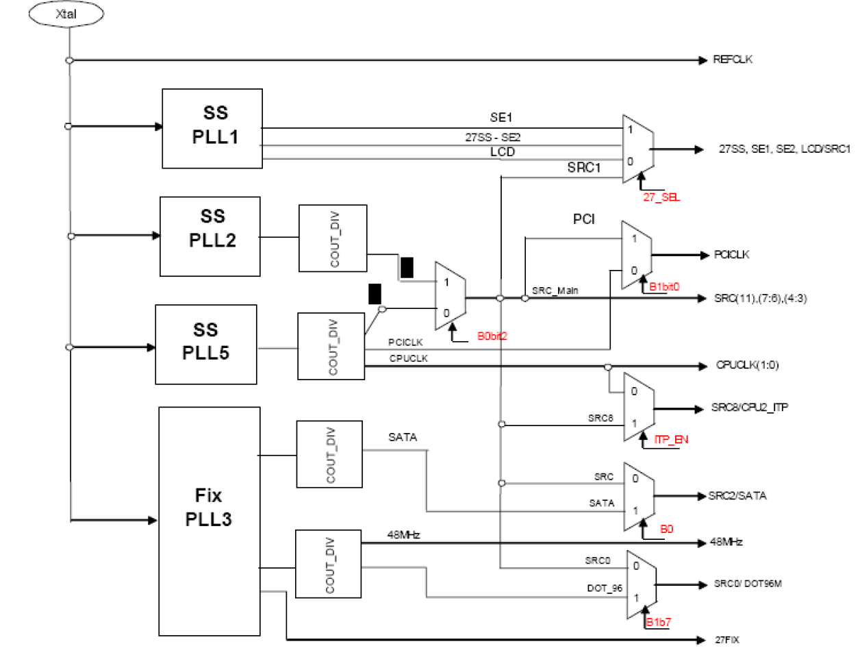
Advanced Features CPU 100M-400M output pair(s), SRC/DOT96 output pair(s), SRC/SE/27M output pair(s), 14.318M output(s), 48M output(s), Integrated VREG
App Jitter Compliance PCIe Gen1, PCIe Gen2
C-C Jitter Max P-P (ps) 85
Chipset Manufacturer Intel
Clock Spec. CK505 Derivative
Core Voltage (V) 3.3
Die Form No
Diff. Output Signaling HCSL
Diff. Termination Resistors 0
Freq. Accuracy Init. (± PPM) 100
Function Clock Generator
Input Freq (MHz) 14.3182 - 14.3182
Input Type Crystal
Length (mm) 8
MOQ 3000
Moisture Sensitivity Level (MSL) 3
Output Freq Range (MHz) 14.32 - 400
Output Skew (ps) 100
Output Voltage (V) 3.3V, 0.7V
PCI 33.33M Outputs (#) 6
PCIe Generation Gen1, Gen2
Package Area (mm²) 64
Pb Free Category e3 Sn
Phase Jitter Max RMS (ps) 3.1
Pitch (mm) 0.5
Pkg. Dimensions (mm) 8.0 x 8.0 x 0.85
Power Consumption Typ (mW) 383
Qty. per Carrier (#) 0
Qty. per Reel (#) 3000
Reel Size (in) 13
Reference Output Yes
Requires Terms and Conditions Does not require acceptance of Terms and Conditions
Spread Spectrum Yes
Supply Voltage (V) 1.05 - 3.3
Tape & Reel Yes
Temp. Range (°C) 0 to 70°C
Thickness (mm) 0.85
Width (mm) 8
Xtal Freq (MHz) 14.32 - 14.32
Xtal Inputs (#) 1
已发布 No

描述

 

Recommended Application: Industrial temperature CK505-compatible clock
 
Key Specifications:
• CPU outputs cycle-cycle jitter < 85ps
• SRC output cycle-cycle jitter < 125ps
• PCI outputs cycle-cycle jitter < 250ps
• +/- 100ppm frequency accuracy on all outputs