| CAD 模型: | View CAD Model |
| Pkg. Type: | VFQFPN |
| Pkg. Code: | NLG72 |
| Lead Count (#): | 72 |
| Pkg. Dimensions (mm): | 10.0 x 10.0 x 1.0 |
| Pitch (mm): | 0.5 |
| Pb (Lead) Free | Yes |
| ECCN (US) | EAR99 |
| HTS (US) | 8542.39.0090 |
| Moisture Sensitivity Level (MSL) | 3 |
| Pkg. Type | VFQFPN |
| Lead Count (#) | 72 |
| Pb (Lead) Free | Yes |
| Carrier Type | Tray |
| Accepts Spread Spec Input | Yes |
| Advanced Features | HiBW frequency translation capability |
| App Jitter Compliance | PCIe Gen1, FBD |
| Chipset Manufacturer | Intel |
| Clock Spec. | DB1900G |
| Diff. Input Signaling | HCSL |
| Diff. Inputs | 1 |
| Diff. Output Signaling | HCSL |
| Diff. Outputs | 19 |
| Diff. Termination Resistors | 76 |
| Function | Buffer |
| Length (mm) | 10 |
| MOQ | 168 |
| Moisture Sensitivity Level (MSL) | 3 |
| Output Enable (OE) Pins | 14 |
| Output Freq Range (MHz) | 400 |
| Package Area (mm²) | 100 |
| Pb Free Category | e3 Sn |
| Pitch (mm) | 0.5 |
| Pkg. Dimensions (mm) | 10.0 x 10.0 x 1.0 |
| Power Consumption Typ (mW) | 1300 |
| Qty. per Carrier (#) | 168 |
| Qty. per Reel (#) | 0 |
| Requires Terms and Conditions | Does not require acceptance of Terms and Conditions |
| Supply Voltage (V) | 3.3 - 3.3 |
| Tape & Reel | No |
| Temp. Range (°C) | 0 to 70°C |
| Thickness (mm) | 1 |
| Width (mm) | 10 |
| 已发布 | No |
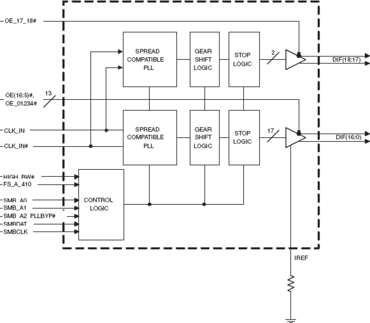
The IDT9FG1901 follows the Intel DB1900G Differential Buffer Specification. This buffer provides 19 output clocks for CPU Host Bus, PCI-Express, or Fully Buffered DIMM applications. The outputs are configured with two groups. Both groups, DIF_(16:0) and DIF_(18:17) can be equal to or have a gear ratio to the input clock. A differential CPU clock from a CK410B+ main clock generator, such as the IDT932S421, drives the IDT9FG1901. The IDT9FG1901 can provide outputs up to 400MHz.