跳转到主要内容
Account
中文
中文
English
中文
日本語
样品
购物车
MyRenesas
Main navigation
菜单
返回
产品
微控制器和微处理器
放大器
ASIC 和 IP
音频、视频与显示
汽车产品
时钟与时序
数据转换器
接口
储存器和逻辑器件
功率分立器件
电源管理
可编程逻辑
传感器产品
Space & Harsh Environment
开关和多路复用器
无线连接
交叉检索
Product Selector
微控制器和微处理器
关闭菜单
Product Selector
RA Arm Cortex-M MCU
Product Selector
RZ 32 位和 64 位 MPU
Product Selector
RL78 低功耗 8 位和 16 位 MCU
Product Selector
RX 系列 32 位高性能/高效能 MCU
Product Selector
RISC-V 32 位和 64 位 MCU 和 MPU
Product Selector
RH850 汽车 MCU
Product Selector
瑞萨电子 Synergy™ 平台 MCU
Product Selector
其他 MCU 和 MPU
应用
应用
关闭菜单
汽车
先进的驾驶辅助系统(ADAS)
电动出行
电动和混合动力汽车(EV)
信息娱乐系统
车辆控制系统
通信基础结构
云计算和企业
网络和固定接入
无线基础设施
消费电子产品
相机
计算
互联家居与娱乐
电源适配器和充电器
可穿戴设备
工业
电器
建筑自动化
工业自动化
医疗与保健
计量仪
电机驱动
可再生能源和电网
零售、自动化和支付
机器人
关键技术
人工智能 (AI)
功能安全
氮化镓 (GaN) 电源
人机界面 (HMI)
电机控制
安保
追踪与定位
USB
设计资源
设计资源
关闭菜单
设计和开发
开发板及套件
参考设计
开发工具
软件和驱动程序
封装
交叉检索
GADGET RENESAS 创客资源
内容和培训
文档和下载
培训和教程
视频
在线研讨会
博客
特色工具
Renesas 365
快速连接平台
云上实验室
PowerCompass 多轨设计工具
PowerNavigator
Timing Commander
合作伙伴
首选合作伙伴计划 (系统)
Renesas Ready Partner Network (软件)
R-Car 联盟伙伴
支持
支持
关闭菜单
支持社区
从瑞萨电子的专家技术人员和社群获得帮助。
微控制器
微处理器
电源管理
无线连接
技术支持
知识库
支持工单
培训和活动
展会及各种活动
培训和教程
大学计划
视频
在线研讨会
质量和包装
环境合规性
封装信息
产品变更通知
产品生命周期
产品长期供货计划
PSIRT
质量和可靠性
样品和购买
样品和购买
关闭菜单
直接从瑞萨电子购买
客户现在可以选择直接从瑞萨电子购买的便利性。
订购信息
检查库存
样品订购信息
可订购部件编号指南
停产(EOL)产品
销售和分销商目录
交叉检索
关于我们
关于我们
关闭菜单
关于瑞萨电子
企业概述
可持续发展
职位招聘
公司文化
职位搜索
联系我们
销售支持
技术支持
新闻中心
新闻发布
博客
客户成功案例
投资者关系
IR资料
财经摘要
财务日历
公司股份信息
中文
中文
English
中文
日本語
样品
购物车
MyRenesas
搜索
面包屑
产品
时钟与时序
特定应用时钟
9ZXL0831
9ZXL0831
有效
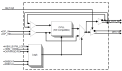
8-Output Low-power Buffer for PCIe Gen 1/2/3 and QPI/UPI
数据手册
立即订购
替代产品
9ZXL0831E - 8-Output DB800ZL PCIe Zero-Delay/Fanout Clock Buffer
Notes:
Pin-to-pin with improved performance, reduced external components
9ZXL0851E - 8-Output DB800ZL PCIe Zero-Delay/Fanout Clock Buffer
Notes:
Pin-to-pin with improved performance, reduced external components
前一个
概览
产品选项
文档
软件与工具
支持
下一个
产品树
Close product tree menu
Open product tree menu
加载中
当前筛选条件
加载中
加载中
支持社区
在线询问瑞萨电子工程社群的技术人员,快速获得技术支持。
获取支持
知识库
浏览我们的知识库,获取文章、常见问题解答及其他实用资源。
浏览文章
提交工单
需要咨询技术性问题或提供非公开信息吗?
提交工单