跳转到主要内容

特性

  • Devices QML qualified in accordance with MIL-PRF-38535
  • Detailed electrical and screening requirements are contained in SMD# 5962-96717 and Renesas' Intersil QM Plan
  • 1.25 micron radiation hardened SOS CMOS
  • Total dose >300K RAD (Si)
  • Single Event Upset (SEU) immunity: <1 x 10-10 errors/bit/day (Typ)
  • SEU LET threshold >100 MEV-cm2/mg
  • Dose rate upset >1011 RAD (Si)/s, 20ns pulse
  • Dose rate survivability >1012 RAD (Si)/s, 20ns pulse
  • Latch-up free under any conditions
  • Military temperature range -55 °C to +125 °C
  • Significant power reduction compared to ALSTTL logic
  • DC operating voltage range 4.5V to 5.5V
  • Input logic levels
  • VIL = 0.8V Max
  • VIH = VCC/2 Min
  • Input current ≤1µA at VOL, VOH
  • Fast propagation delay 17.5ns (Max), 12ns (Typ)

描述

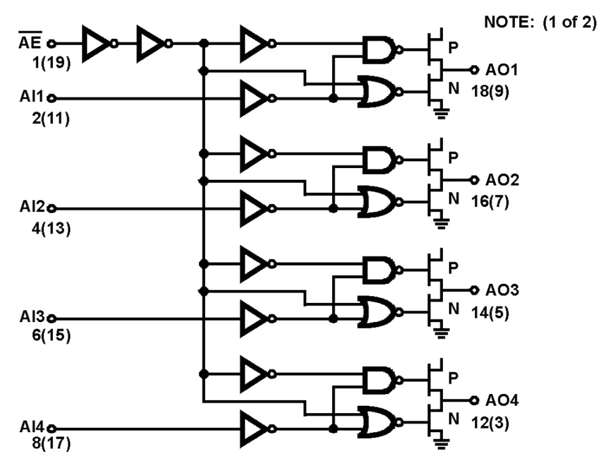
The Intersil ACTS240MS is a radiation hardened high reliability, high-speed CMOS/SOS that has two active low enable inputs. The ACTS240MS utilizes advanced CMOS/SOS technology to achieve high-speed operation. This device is a member of the radiation hardened, high-speed, CMOS/SOS logic family. The ACTS240MS is supplied in a 20-lead ceramic flatpack (K suffix) or a dual in-line ceramic package (D suffix).

当前筛选条件