跳转到主要内容

特性

  • High-Voltage Types (20V Rating)
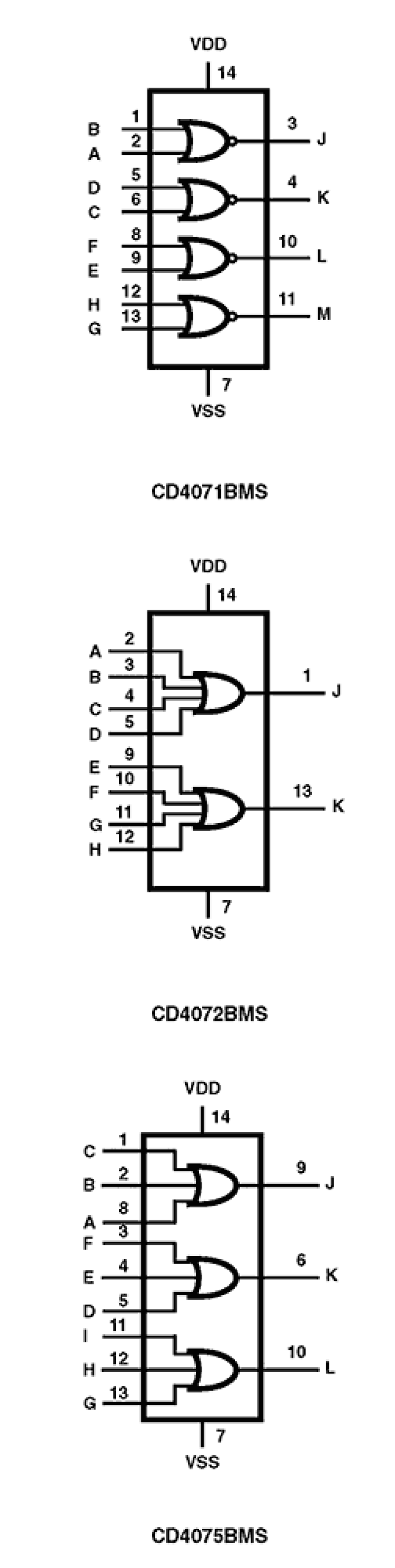
  • CD4071BMS Quad 2-Input OR Gate
  • CD4072BMS Dual 4-Input OR Gate
  • CD4075BMS Triple 3-Input OR Gate
  • Medium Speed Operation: tPHL, tPLH = 60ns (typ) at 10V
  • 100% Tested for Quiescent Current at 20V
  • Maximum Input Current of 1µA at 18V Over Full Package Temperature Range; 100nA at 18V and +25°C
  • Standardized Symmetrical Output Characteristics
  • Noise Margin (Over Full Package Temperature Range): 1V at VDD = 5V 2V at VDD = 10V 2.5V at VDD = 15V
  • 5V, 10V and 15V Parametric Ratings
  • Meets All Requirements of JEDEC Tentative Standard No. 13B, "Standard Specifications for Description of 'B' Series CMOS Devices"

描述

Support is limited to customers who have already adopted these products.

CD4071BMS, CD4072BMS and CD4075BMS OR gates provide the system designer with direct implementation of the positive-logic OR function and supplement the existing family of CMOS gates. The CD4071BMS, CD4072BMS and CD4075BMS are supplied in these 14 lead outline packages: Braze Seal DIP *H4H †H4Q Frit Seal DIP H1B Ceramic Flatpack H3W *CD4071, CD4072 †CD4075 Only

当前筛选条件