特性
- Clocking speeds up to 40MHz
- 15ns tR/tFat 2000pF CLOAD
- 0.5ns rise and fall times mismatch
- 0.5ns tON-tOFF prop delay mismatch
- 3.5pF typical input capacitance
- 3.5A peak drive
- Low ON-resistance of 3.5Ω
- High capacitive drive capability
- Operates from 4.5V to 16.5V
- Pb-free plus anneal available (RoHS compliant)
描述
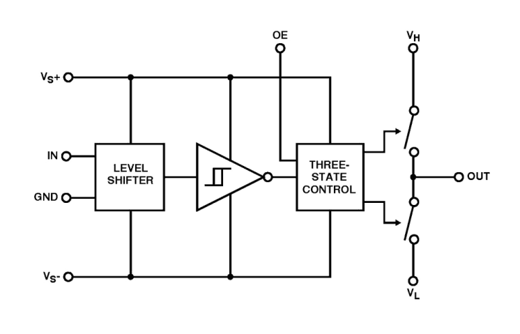
The EL7156 high performance pin driver with three-state is suited to many ATE and level-shifting applications. The 3. 5A peak drive capability makes this part an excellent choice when driving high capacitance loads. The output pin OUT is connected to input pins VH or VL respectively, depending on the status of the IN pin. When the OE pin is active low, the output is placed in the three-state mode. The isolation of the output FETs from the power supplies enables VH and VL to be set independently, enabling level-shifting to be implemented. Related to the EL7155, the EL7156 adds a lower supply pin VS- and makes VL an isolated and independent input. This feature adds applications flexibility and improves switching response due to the increased enhancement of the output FETs. This pin driver has improved performance over existing pin drivers. It is specifically designed to operate at voltages down to 0V across the switch elements while maintaining good speed and ON-resistance characteristics. Available in the 8 Ld SOIC and 8 Ld PDIP packages, the EL7156 is specified for operation over the full -40°C to +85°C temperature range.
产品参数
| 属性 | 值 |
|---|---|
| Drivers (#) | 1 |
| Fall Time | 0.015 |
| IS (mA) | 3 |
| Input Signal Range | 0 to VP |
| Input Supply (Max) (VP) | 16.5 - 16.5 |
| Input Voltage (Max) (V) | 16.5 |
| Output Signal Range | -5 to 16 |
| Peak Output Current IPK (A) | 3.5 |
| RDS (ON) (Ohms) | 2.7 |
| Rise Time (μs) | 14.5 |
| Turn Off Delay (ns) | 9.5 |
| Turn On Delay (ns) | 10 |
| VBIAS (Min) (V) | 4.5 |
| Qualification Level | Standard |
封装选项
| Pkg. Type | Pkg. Dimensions (mm) | Lead Count (#) | Pitch (mm) |
|---|---|---|---|
| SOICN | 4.9 x 3.9 x 0.00 | 8 | 1.3 |
应用
- ATE/burn-in testers
- Level shifting
- IGBT drivers
- CCD drivers
当前筛选条件