| CAD 模型: | View CAD Model |
| Pkg. Type: | SOICN |
| Pkg. Code: | MSK |
| Lead Count (#): | 8 |
| Pkg. Dimensions (mm): | 4.90 x 3.91 x 0.00 |
| Pitch (mm): | 1.27 |
| Moisture Sensitivity Level (MSL) | 1 |
| Pb (Lead) Free | Yes |
| ECCN (US) | EAR99 |
| HTS (US) | 8542.39.0090 |
| RoHS (EL7156CSZ-T13) | 下载 |
| Lead Count (#) | 8 |
| Carrier Type | Reel |
| Moisture Sensitivity Level (MSL) | 1 |
| Pb (Lead) Free | Yes |
| Pb Free Category | Pb-Free 100% Matte Tin Plate w/Anneal-e3 |
| Temp. Range (°C) | -40 to +85°C |
| Country of Assembly | MALAYSIA |
| Country of Wafer Fabrication | TAIWAN |
| Drivers (#) | 1 |
| Fall Time | 0.015 |
| IS (mA) | 3 |
| Input Signal (Max) | 16 |
| Input Signal Range | 0 to VP |
| Input Supply (Max) (VP) | 16.5 - 16.5 |
| Input Supply Range (V) | 4.5 - 16.5 |
| Input Voltage (Max) (V) | 16.5 |
| Length (mm) | 4.9 |
| MOQ | 2500 |
| Operating Freq (Max) (MHz) | 40 |
| Output Signal (Max) (V) | 16 |
| Output Signal (Min) (V) | -5 |
| Output Signal Range | -5 to 16 |
| Peak Output Current IPK (A) | 3.5 |
| Pitch (mm) | 1.3 |
| Pkg. Dimensions (mm) | 4.9 x 3.9 x 0.00 |
| Pkg. Type | SOICN |
| Qualification Level | Standard |
| RDS (ON) (Ohms) | 2.7 |
| Rise Time (μs) | 14.5 |
| Turn Off Delay (ns) | 9.5 |
| Turn On Delay (ns) | 10 |
| VBIAS (Min) (V) | 4.5 |
| Width (mm) | 3.9 |
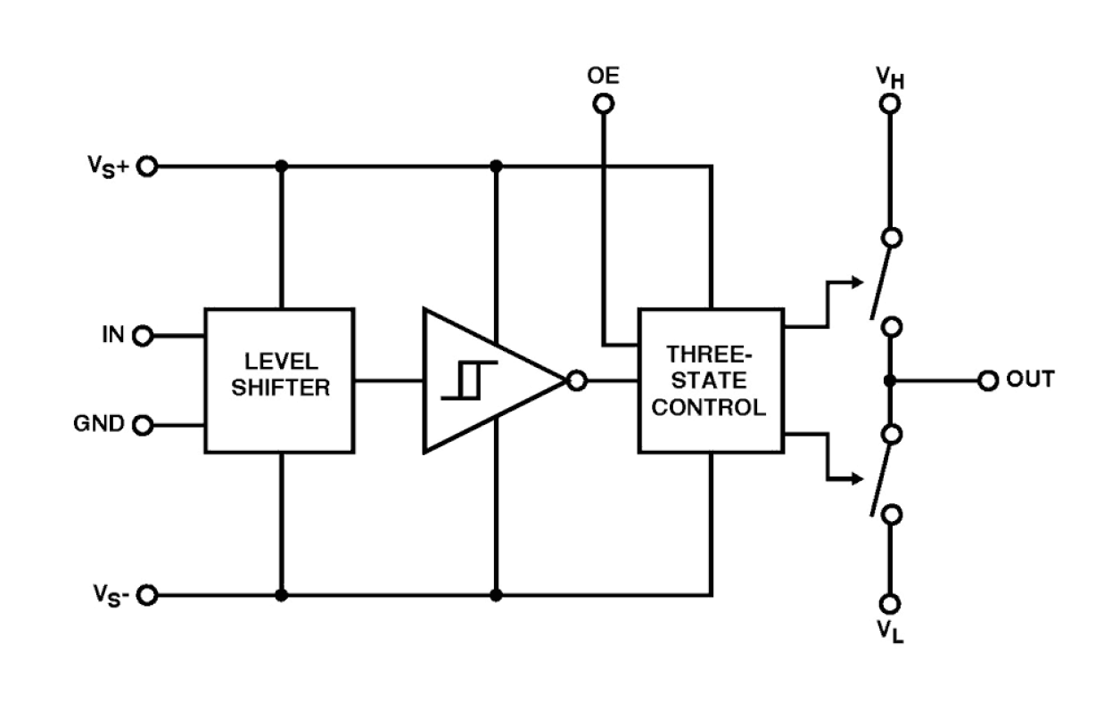
The EL7156 high performance pin driver with three-state is suited to many ATE and level-shifting applications. The 3. 5A peak drive capability makes this part an excellent choice when driving high capacitance loads. The output pin OUT is connected to input pins VH or VL respectively, depending on the status of the IN pin. When the OE pin is active low, the output is placed in the three-state mode. The isolation of the output FETs from the power supplies enables VH and VL to be set independently, enabling level-shifting to be implemented. Related to the EL7155, the EL7156 adds a lower supply pin VS- and makes VL an isolated and independent input. This feature adds applications flexibility and improves switching response due to the increased enhancement of the output FETs. This pin driver has improved performance over existing pin drivers. It is specifically designed to operate at voltages down to 0V across the switch elements while maintaining good speed and ON-resistance characteristics. Available in the 8 Ld SOIC and 8 Ld PDIP packages, the EL7156 is specified for operation over the full -40°C to +85°C temperature range.