特性
- Wide Unity Gain Bandwidth 125MHz
- Slew Rate 475V/µs
- Input Offset Voltage 800µV
- Differential Gain 0.03%
- Differential Phase 0.03°
- Supply Current (per Amplifier) 7.5mA
- ESD Protection 4000V
- Guaranteed Specifications at ±5V Supplies
- Pb-Free Plus Anneal Available (RoHS Compliant)
描述
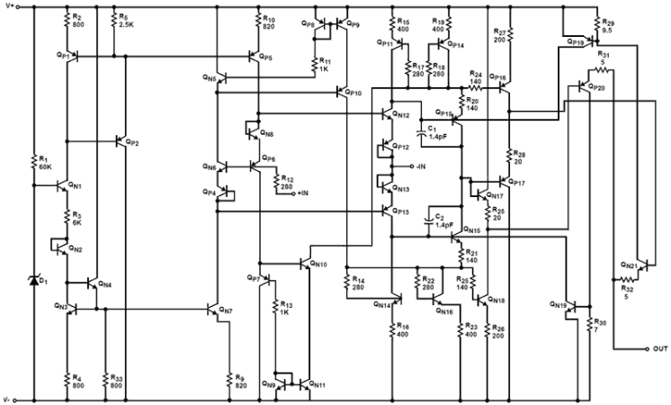
The HA5023 is a wide bandwidth high slew rate dual amplifier optimized for video applications and gains between 1 and 10. It is a current feedback amplifier and thus yields less bandwidth degradation at high closed loop gains than voltage feedback amplifiers. The low differential gain and phase, 0. 1dB gain flatness, and ability to drive two back terminated 75Ω cables, make this amplifier ideal for demanding video applications. The current feedback design allows the user to take advantage of the amplifier's bandwidth dependency on the feedback resistor. By reducing RF, the bandwidth can be increased to compensate for decreases at higher closed loop gains or heavy output loads. The performance of the HA5023 is very similar to the popular Intersil HA-5020.
产品参数
| 属性 | 值 |
|---|---|
| Channels (#) | 2 |
| Temp. Range (°C) | -40 to +85°C |
| Bandwidth (MHz) | 125 |
| Gain Min | 1 |
| Offset Voltage (Max) (mV) | 3 |
| IBIAS (nA) | 4000 |
| IOUT (A) | 0.02 |
| CMRR (dB) | 53 |
| PSRR (db) | 60 |
| Rail-to-Rail Input | No |
| Rail-to-Rail Output | No |
| IS per Amp (mA) | 7.5 |
| Noise VN (nV/√Hz) | 4.5 |
| Single Supply Voltage Range (V) | 9 - 30 |
| Slew Rate (V/µs) | 475 |
| VOUT (V) | 6 |
| VS (Min) (V) | 9 |
| VS (Max) (V) | 30 |
| 2nd Harmonic (dB) | -51 |
| 3rd Harmonic (dB) | -55 |
| Diff Gain (%) | 0.03 |
| Diff Phase (°) | 0.03 |
| Topology [Rail 1] | CFA |
| Enable | No |
| Output Headroom (V) | 2 |
| Distortion Conditions | 2Vpp, 10MHz |
| Qualification Level | Standard |
封装选项
| Pkg. Type | Pkg. Dimensions (mm) | Lead Count (#) | Pitch (mm) |
|---|---|---|---|
| SOICN | 4.9 x 3.9 x 0.00 | 8 | 1.3 |
应用
- Video Gain Block
- Video Distribution Amplifier/RGB Amplifier
- Flash A/D Driver
- Current to Voltage Converter
- Medical Imaging
- Radar and Imaging Systems
- Video Switching and Routing
当前筛选条件