跳转到主要内容
瑞萨电子 (Renesas Electronics Corporation)

特性

  • High-Speed Operation: tpd (D to Q) = 16ns typ (CL = 50pF)
  • High Output Current: Fanout of 15 LSTTL Loads
  • Wide Operating Voltage: VCC = 2V to 6V
  • Low Input Current: 1µA max
  • Low Quiescent Supply Current: ICC (static) = 4µA max (Ta = 25°C)

描述

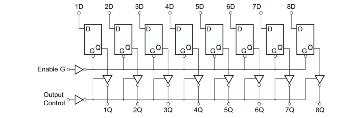
When the latch enable input is high, the Q outputs of HD74HC373 will follow the D inputs and the Q outputs of HD74HC533 will follow the inversion of the D inputs. When the latch enable goes low, data at the D inputs will be retained at the outputs until latch enable returns high again. When a high logic level is applied to the output control input, all outputs go to a high impedance state, regardless of what signals are present at the other inputs and the state of the storage elements.

产品参数

属性
FunctionOctal D-type Transparent Latches with 3-state output
Temp. Range (°C)-40 to +85°C

当前筛选条件