| CAD 模型: | View CAD Model |
| Pkg. Type: | SOICW |
| Pkg. Code: | MWW |
| Lead Count (#): | 28 |
| Pkg. Dimensions (mm): | 17.93 x 7.52 x 0.20 |
| Pitch (mm): | 1.27 |
| Pb (Lead) Free | No |
| ECCN (US) | EAR99 |
| HTS (US) | 8542.39.0040 |
| Moisture Sensitivity Level (MSL) |
| Lead Count (#) | 28 |
| Carrier Type | Tube |
| Pb (Lead) Free | No |
| Temp. Range (°C) | -40 to +85°C |
| Conversion Rate (Max) (kSPS) | 100000 |
| Differential NonLinearity LSB | 1 |
| Integral NonLinearity LSB | 1.5 |
| Length (mm) | 17.9 |
| MOQ | 52 |
| Output I/V | I |
| Pitch (mm) | 1.3 |
| Pkg. Dimensions (mm) | 17.9 x 7.5 x 0.20 |
| Pkg. Type | SOICW |
| Power (text) | 650mW at 100Msps |
| Qualification Level | Standard |
| Resolution (bits) | 14 |
| SFDR (Typical) to Nyquist | 74dBc 5.1MHz@50Msps |
| Supply Voltage Vs Range | 5, -5.2 |
| Thickness (mm) | 0.2 |
| VREF (V) | Int |
| Width (mm) | 7.5 |
Support is limited to customers who have already adopted these products.
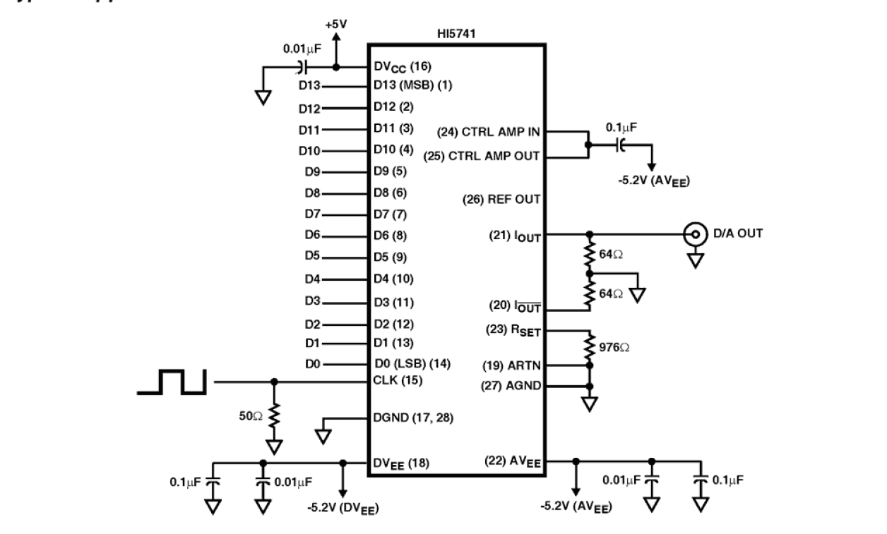
The HI5741 is a 14-bit, 100MSPS, D/A converter which is implemented in the Intersil BiCMOS 10V (HBC-10) process. Operating from +5V and -5. 2V, the converter provides 20. 48mA of full scale output current and includes an input data register and bandgap voltage reference. Low glitch energy and excellent frequency domain performance are achieved using a segmented architecture. The digital inputs are TTL/CMOS compatible and translated internally to ECL. All internal logic is implemented in ECL to achieve high switching speed with low noise. The addition of laser trimming assures 14-bit linearity is maintained along the entire transfer curve.