特性
- 22-Bit Resolution with No Missing Code
- 0.0007% Integral Non-Linearity (Typ)
- 20mV to ±2.5V Full Scale Input Ranges
- Internal PGIA with Gains of 1 to 128
- Serial Data I/O Interface, SPI Compatible
- Differential Analog and Reference Inputs
- Internal or System Calibration
- 120dB Rejection of 60/50Hz Line Noise
- Settling Time of 4 Conversions (Max) for a Step Input
- Pb-Free Plus Anneal Available (RoHS Compliant)
描述
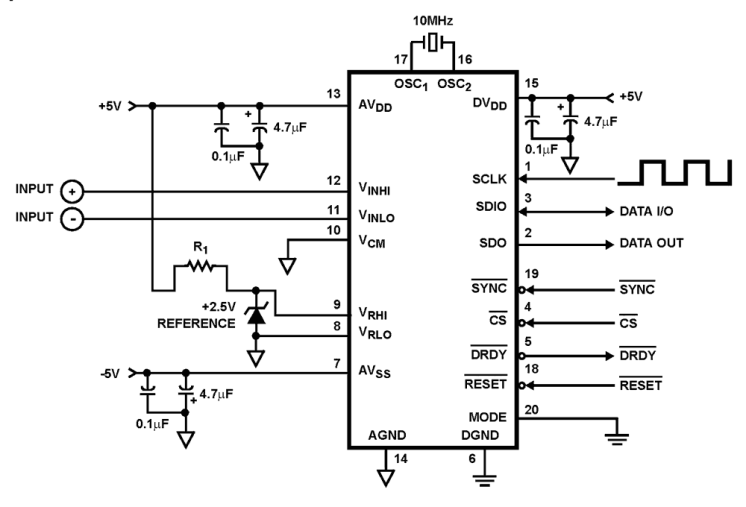
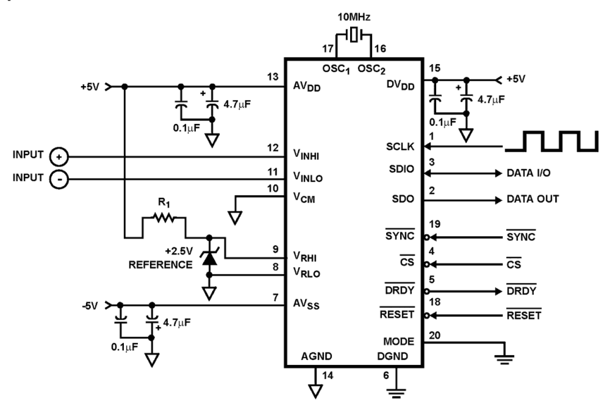
The Intersil HI7190 is a monolithic instrumentation, sigma delta A/D converter which operates from ±5V supplies. Both the signal and reference inputs are fully differential for maximum flexibility and performance. An internal Programmable Gain Instrumentation Amplifier (PGIA) provides input gains from 1 to 128 eliminating the need for external pre-amplifiers. The on-demand converter autocalibrate function is capable of removing offset and gain errors existing in external and internal circuitry. The on-board user programmable digital filter provides over 120dB of 60/50Hz noise rejection and allows fine tuning of resolution and conversion speed over a wide dynamic range. The HI7190 and HI7191 are functionally the same device, but the HI7190 has tighter linearity specifications. The HI7190 contains a serial I/O port and is compatible with most synchronous transfer formats including both the Motorola 6805/11 series SPI and Intel 8051 series SSR protocols. A sophisticated set of commands gives the user control over calibration, PGIA gain, device selection, standby mode, and several other features. The On-chip Calibration Registers allow the user to read and write calibration data.
产品参数
| 属性 | 值 |
|---|---|
| Resolution (bits) | 24 |
| Channels (#) | 1 |
| Conversion Rate (Max) (kSPS) | 2 |
| INL (%FS) | 0.005 |
| Analog Supply Voltage (V) | -5 - 5 |
| Digital Supply Voltage (V) | -5 - 5 |
| Supply Voltage (V) | -5 - 5 |
| Power Consumption (mW) | 15 |
| Qualification Level | Standard |
封装选项
| Pkg. Type | Pkg. Dimensions (mm) | Lead Count (#) | Pitch (mm) |
|---|---|---|---|
| SOICW | 12.9 x 7.5 x 0.00 | 20 | 1.3 |
应用
- Process Control and Measurement
- Industrial Weight Scales
- Part Counting Scales
- Laboratory Instrumentation
- Seismic Monitoring
- Magnetic Field Monitoring
当前筛选条件