| CAD 模型: | View CAD Model |
| Pkg. Type: | CFP |
| Pkg. Code: | KBR |
| Lead Count (#): | 28 |
| Pkg. Dimensions (mm): | 18.29 x 12.70 x 0.00 |
| Pitch (mm): | 1.27 |
| Moisture Sensitivity Level (MSL) | Not Applicable |
| Pb (Lead) Free | Yes |
| ECCN (US) | 9A515.e.1 |
| HTS (US) | 8542.32.0071 |
| RoHS (HS9-6664RH-T) | 英语日文 |
| Pkg. Type | CFP |
| Lead Count (#) | 28 |
| Carrier Type | Tray |
| Moisture Sensitivity Level (MSL) | Not Applicable |
| Pitch (mm) | 1.3 |
| Pkg. Dimensions (mm) | 18.3 x 12.7 x 0.00 |
| DLA SMD | 5962R9562601TYC |
| Pb (Lead) Free | Yes |
| Pb Free Category | Gold Plate over compliant Undercoat-e4 |
| MOQ | 450 |
| Temp. Range (°C) | -55 to +125°C |
| CAGE code | 34371 |
| Lead Compliant | No |
| Length (mm) | 18.3 |
| Qualification Level | QML Class T (space lower level) |
| Rating | Space |
| TID HDR (krad(Si)) | 100 |
| Tape & Reel | No |
| Width (mm) | 12.7 |
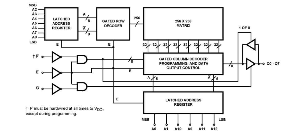
The Intersil Satellite Applications Flow™ (SAF) devices are fully tested and guaranteed to 100kRAD total dose. These QML Class T devices are processed to a standard flow intended to meet the cost and shorter lead-time needs of large volume satellite manufacturers while maintaining a high level of reliability. The Intersil HS-6664RH-T is a radiation hardened 64K CMOS PROM, organized in an 8K word by 8-bit format. The chip is manufactured using a radiation hardened CMOS process and utilizes synchronous circuit design techniques to achieve high-speed performance with very low power dissipation. On-chip address latches are provided, allowing easy interfacing with microprocessors that use a multiplexed address/data bus structure. The output enable control simplifies system interfacing by allowing output data bus control in addition to the chip enable control. All bits are manufactured storing a logical 0 and can be selectively programmed for a logical 1 at any bit location.