特性
- RH accuracy: ±2.8% RH typical
- Fast RH response time (typical 6 seconds)
- Temperature sensor accuracy: ±0.2 °C typical (-10 °C to +80 °C)
- 14-bit resolution: 0.01% RH (typical)
- Low power consumption: 1.0µA average (one RH+T measurement per second, 8-bit resolution, 1.8V supply)
- Extended supply voltage: 2.3V to 5.5V
描述
The HS3003 is a highly accurate, fully calibrated relative humidity and temperature sensor. The high accuracy, fast measurement response time, and long-term stability, along with the small package size, make the HS3003 ideal for a wide number of applications from portable to harsh environments.
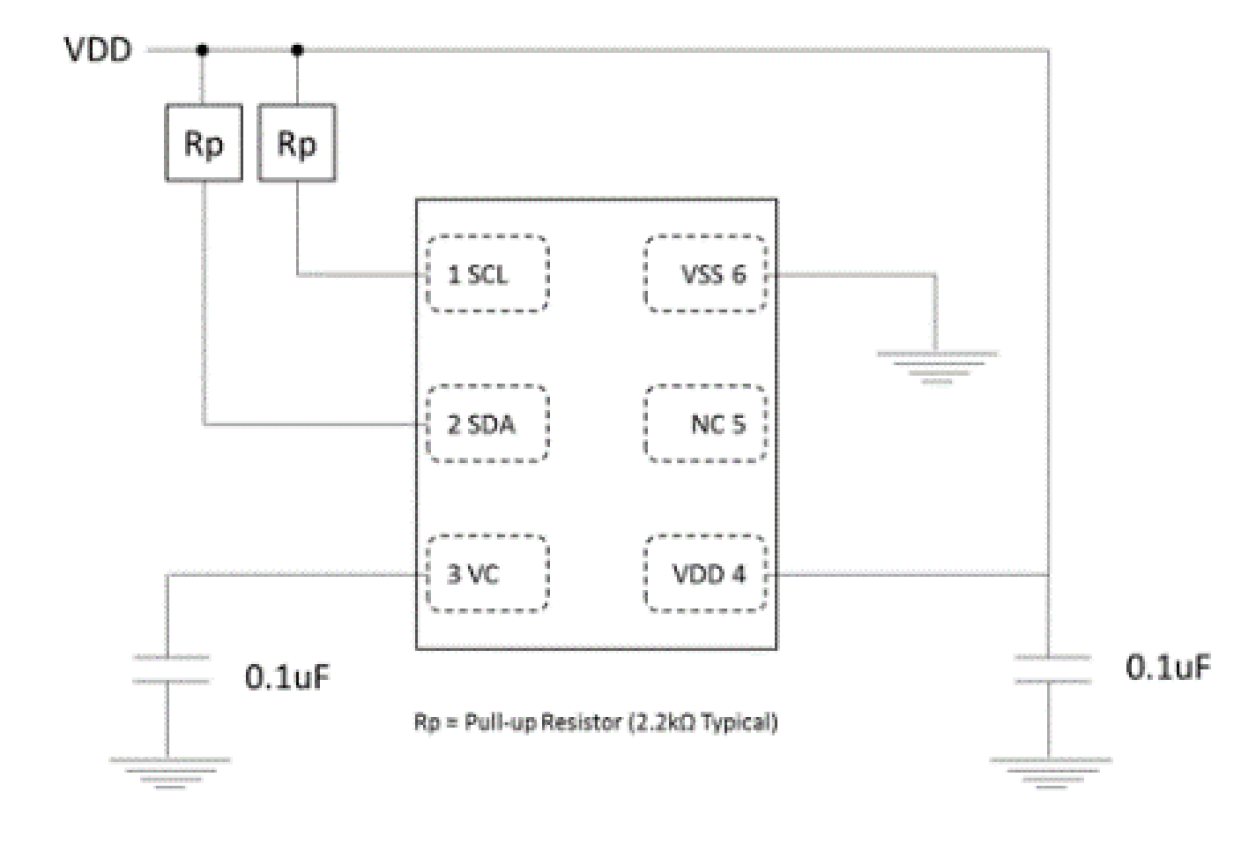
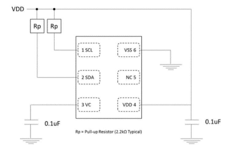
An integrated calibration and temperature compensation logic provides fully corrected RH and T values via a standard I²C output. The measured data is internally corrected and compensated for accurate operation over a wide range of temperature and humidity levels–user calibration is not required.
当前筛选条件
加载中
     
 
 
 
 
