跳转到主要内容
瑞萨电子 (Renesas Electronics Corporation)

特性

  • RH accuracy: ±3.8% RH typical
  • Fast RH response time (typical 6 seconds)
  • Temperature sensor accuracy: ±0.2 °C typical (-10 °C to +80 °C)
  • 14-bit resolution: 0.01% RH (typical)
  • Low power consumption: 1.0µA average (one RH+T measurement per second, 8-bit resolution, 1.8V supply)
  • Extended supply voltage: 2.3V to 5.5V

描述

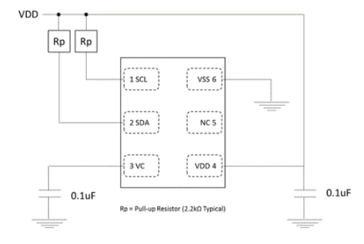
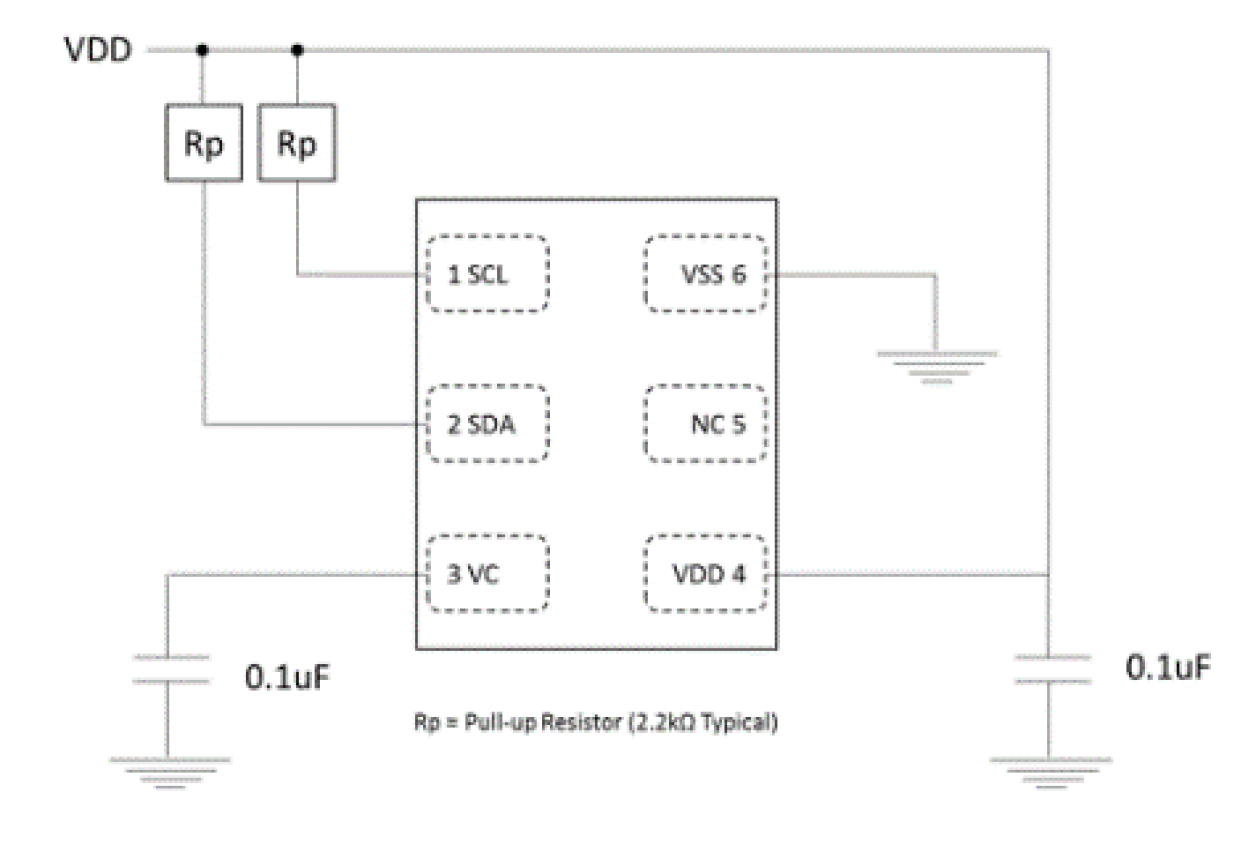
The HS3004 is a highly accurate, fully calibrated relative humidity and temperature sensor. The high accuracy, fast measurement response time, and long-term stability, along with the small package size, make the HS3004 ideal for a wide number of applications from portable to harsh environments.

An integrated calibration and temperature compensation logic provides fully corrected RH and T values via a standard I²C output. The measured data is internally corrected and compensated for accurate operation over a wide range of temperature and humidity levels–user calibration is not required.

应用

  • Climate control systems
  • Home appliances
  • Weather stations
  • Industrial automation
  • Medical equipment
  • Automotive cabin climate control

当前筛选条件