| CAD 模型: | View CAD Model |
| Pkg. Type: | BOARD |
| Pkg. Code: | BD0 |
| Lead Count (#): | |
| Pkg. Dimensions (mm): | 0.0 x 0.0 x 0.0 |
| Pitch (mm): |
| Moisture Sensitivity Level (MSL) | |
| Pb (Lead) Free | No |
| ECCN (US) | |
| HTS (US) |
| Pkg. Type | BOARD |
| Carrier Type | Box |
| Lead Count (#) | 0 |
| MOQ | 1 |
| Pb (Lead) Free | No |
| Pb Free Category | e0 |
| Pkg. Dimensions (mm) | 0.0 x 0.0 x 0.0 |
| Qty. per Carrier (#) | 0 |
| Qty. per Reel (#) | 0 |
| Requires Terms and Conditions | Does not require acceptance of Terms and Conditions |
| Tape & Reel | No |
| Temp. Range (°C) | 0 to 70°C |
| 已发布 | No |
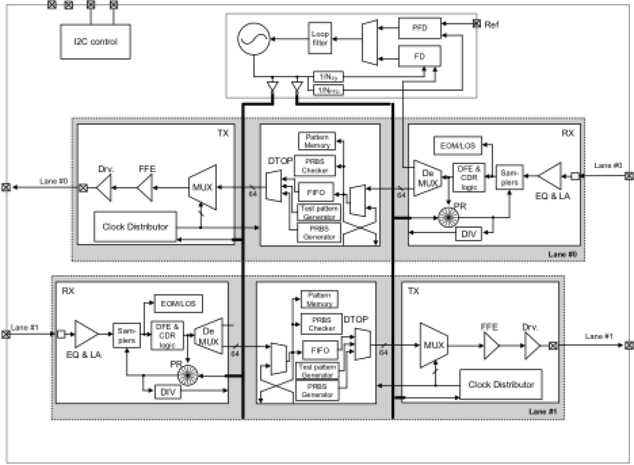
The HXC44200 is a bi-directional Dual Channel PAM-4 CDR / Retimer for retiming data rates from 51GS/s to 56GS/s. It is optimized for 50Gbps Ethernet, OIF CEI-56G-VSR applications with low power consumption of sub-250mW per channel (56Gbps).
The HXC44200 provides programmable and adaptive equalization in the receiver and programmable de-emphasis in the transmitter to compensate for channel Insertion Loss and ISI. In the receive direction, the programmable / adaptive CTLE provides up to 7 dB of equalization and a 1-tap DFE provides additional compensation. In the transmit direction, the programmable, 4-bit, de-emphasis with 3-tap FIR (pre,main,post) filter provides a 9 dB control range.
Auto DC-offset calibration is complemented with auto phase calibration and the unique CDR / Retimer architecture enables independent receive and transmit CDR loop bandwidth optimization for increased Jitter Tolerance and reduced Jitter Transfer performance.
Able to be used with or without a reference clock with a built-in, single 14GHz master VCO providing the oscillator output for each channel.
Multiple Built in Self-Test (BIST) functions such as a PRBS generator / checker, Jitter Tolerance, Eye Open Monitor, and single lane loopback are supported for module level testing.
The HXC44200 has an I2C interface that is used to set the start-up operating mode for the internal state machine which performs all required calibrations and settings. The HXC44200 is packaged in a 5x5mm BGA in 9×9 grid of 0.5mm pitch.