| CAD 模型: | View CAD Model |
| Pkg. Type: | SSOP |
| Pkg. Code: | MJS |
| Lead Count (#): | 24 |
| Pkg. Dimensions (mm): | 8.20 x 5.31 x 1.75 |
| Pitch (mm): | 0.65 |
| Moisture Sensitivity Level (MSL) | 3 |
| Pb (Lead) Free | Yes |
| ECCN (US) | |
| HTS (US) |
| Lead Count (#) | 24 |
| Carrier Type | Tube |
| Moisture Sensitivity Level (MSL) | 3 |
| Pitch (mm) | 0.7 |
| Pkg. Dimensions (mm) | 8.2 x 5.3 x 1.75 |
| Pb (Lead) Free | Yes |
| Pb Free Category | Pb-Free 100% Matte Tin Plate w/Anneal-e3 |
| Temp. Range (°C) | 0 to +70°C |
| Auto Shutdown | No |
| Charge-pump Capacitance Value (µF) | 0.1 |
| Data Rate (Mbps) | 0.3 |
| High ESD Protection | No |
| IS Enabled (mA) | 0.3 |
| Length (mm) | 8.2 |
| MOQ | 1740 |
| Manual Shutdown | No |
| Pkg. Type | SSOP |
| Qualification Level | Standard |
| Receivers (#) | 3 |
| Rx Disable | No |
| Supply Voltage Vcc (Min) (V) | 3 |
| Supply Voltage Vcc Range | 3-5.5 |
| Thickness (mm) | 1.75 |
| Transmitters (#) | 5 |
| Width (mm) | 5.3 |
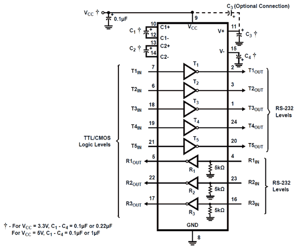
The ICL3207 is a 3. 0V to 5. 5V powered RS-232 transmitter/receiver that meets ElA/TIA-232 and V. 28/V. 24 specifications, even at VCC = 3. 0V. The ICL3207 features five transmitters and three receivers. Targeted applications are ISDN Terminal Adapters (TAs), PDAs, Palmtops, peripherals, and notebook and laptop computers where the low operational power and even lower standby power consumption is critical. Small footprint packaging and the use of small, low value capacitors ensure board space savings. Data rates greater than 250kbps are ensured at worst case load conditions. The ICL3207 is fully compatible with 3. 3V only systems, mixed 3. 3V and 5. 0V systems, and 5. 0V only systems. The ICL3207 is a lower power, pin-for-pin replacement for the MAX207, HIN207, and HIN237.