特性
- Pb-free (RoHS compliant)
- ESD protection for RS-232 I/O pins to ±15kV (IEC61000)
- 5V lower power replacement for MAX207E, HIN207E, and HIN237E
- Meets EIA/TIA-232 and V.28/V.24 specifications at 3V
- Latch-up free
- On-chip voltage converters require only four external 0.1µF capacitors
- RS-232 compatible with VCC = 2.7V
- Receiver hysteresis for improved noise immunity
- Ensured minimum data rate: 250kbps
- Ensured minimum slew rate: 6V/µs
- Wide power supply range: Single +3V to +5.5V
描述
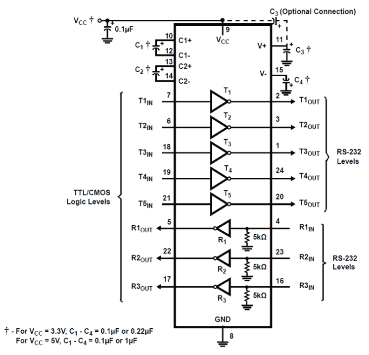
The ICL3207E is a 3V to 5. 5V powered RS-232 transmitter/receiver that meets EIA/TIA-232 and V. 28/V. 24 specifications, even at VCC = 3. 0V. The ICL3207E features five transmitters and three receivers. It provides ±15kV ESD protection (IEC61000-4-2 Air Gap) and ±15kV Human Body Model protection on transmitter outputs and receiver inputs (RS-232 pins). Targeted applications are ISDN Terminal Adapters (TAs), PDAs, Palmtops, peripherals, and notebook and laptop computers where the low operational power consumption and even lower standby power consumption is critical. Small footprint packaging and the use of small, low-value capacitors ensure board space savings. Data rates greater than 250kbps are ensured at worst case load conditions. The ICL3207E is fully compatible with 3. 3V only systems, mixed 3. 3V and 5V systems, and 5V only systems. The ICL3207E is a lower power, pin-for-pin replacement for the MAX207E, HIN207E, and HIN237E.
产品参数
| 属性 | 值 |
|---|---|
| Transmitters (#) | 5 |
| Receivers (#) | 3 |
| High ESD Protection | Yes |
| Data Rate (Mbps) | 0.3 |
| Supply Voltage Vcc Range | 3-5.5 |
| Manual Shutdown | No |
| Auto Shutdown | No |
| Rx Disable | No |
| Charge-pump Capacitance Value (µF) | 0.1 |
| IS Enabled (mA) | 0.3 |
封装选项
| Pkg. Type | Pkg. Dimensions (mm) | Lead Count (#) | Pitch (mm) |
|---|---|---|---|
| SSOP | 8.2 x 5.3 x 1.75 | 24 | 0.7 |
应用
- Battery powered, hand-held, and portable
equipment - Laptop computers, notebooks, and Palmtops
- Modems, printers, and other peripherals
- ISDN Terminal Adapters (TAs) and set top boxes
当前筛选条件