特性
- Pb-free (RoHS compliant)
- ESD protection for RS-232 I/O pins to ±15kV (IEC61000)
- Active feedback resistors on TX and logic inputs
- Manual and enhanced automatic powerdown features
- Pin compatible replacement for MAX3238E, MAX3238, and SP3238E
- Meets EIA/TIA-232 and V.28/V.24 specifications at 3V
- RS-232 compatible outputs at 2.7V supply
- Flow through pinout
- Latch-up free
- On-chip voltage converters require only four external capacitors
- Receiver and transmitter hysteresis for improved noise immunity
- Guaranteed minimum data rate: 250kbps
- Guaranteed minimum slew rate: 6V/µs
- Wide power supply range: Single +3V to +5.5V
- Low supply current in powerdown state: 10nA
描述
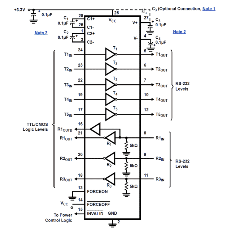
The ICL3238E contains 3. 0V to 5. 5V powered RS‑232 transmitters/receivers that meet ElA/TIA-232 and V. 28/V. 24 specifications, even at VCC = 3. 0V. It provides ±15kV ESD protection (IEC61000-4-2 Air Gap and Human Body Model) on transmitter outputs and receiver inputs (RS‑232 pins). Targeted applications are cell phones, Palmtops, and data cables in which the low operational power consumption and even lower standby power consumption is critical. Efficient on-chip charge pumps coupled with manual and enhanced automatic powerdown functions reduce the standby supply current to a 10nA trickle. Small footprint packaging and the use of small, low value capacitors ensure board space savings. Data rates greater than 250kbps are ensured at worst-case load conditions and provide compatibility with popular PC communication software. The ICL3238E is a five driver, three receiver device optimized for DCE applications with full hardware handshaking. It includes a noninverting, always-active receiver for RING INDICATOR monitoring. The ICL3238E features an enhanced automatic powerdown function that powers down the on-chip power-supply and driver circuits. Automatic powerdown occurs when all receiver and transmitter inputs detect no signal transitions for a period of 30s. The ICL3238E automatically powers back up whenever it senses a transition on any transmitter or receiver input. The transmitter and logic inputs include active feedback resistors that retain the input state when driven to a valid logic level. Application Note AN9863 summarizes the features of each device in the ICL32xxE 3V RS-232 family.
产品参数
| 属性 | 值 |
|---|---|
| Transmitters (#) | 5 |
| Receivers (#) | 3 |
| High ESD Protection | Yes |
| Data Rate (Mbps) | 0.5 |
| Supply Voltage Vcc Range | 3-5.5 |
| Manual Shutdown | Yes |
| Auto Shutdown | No |
| Rx Disable | No |
| Charge-pump Capacitance Value (µF) | 0.1 |
| IS Enabled (mA) | 0.3 |
| IS Disabled (μA) | 0.01 |
封装选项
| Pkg. Type | Pkg. Dimensions (mm) | Lead Count (#) | Pitch (mm) |
|---|---|---|---|
| SSOP | 10.2 x 5.3 x 1.75 | 28 | 0.7 |
应用
- Any System Requiring RS-232 Communication Ports Battery Powered, Hand-Held, and Portable Equipment Data Cradles Modems, Printers and other Peripherals Cellular/Mobile Phones, Data Cables
当前筛选条件