特性
- 保证所有温度范围内的最大电源电流更低
- 宽工作电压范围:1.5V 至 12V
- 100% 在 3V 下经过测试
- 升压引脚(引脚 1)用于更高的开关频率
- 保证最低功率效率为 96%
- 最小开路电压转换效率提高 99%
- 改进的 SCR 闩锁保护
- 将 +5V 逻辑电源轻松转换为 ±5V 电源
- 简单电压倍增 VOUT = (-)nVIN
- 易于使用;仅需两个外部非关键无源元件
- 为了符合行业标准 ICL7660 和其他第二源设备而对直接替换进行了改进
- 可提供无铅版本(符合 RoHS)
描述
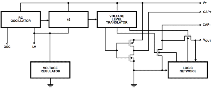
ICL7660S 和 ICL7660A 超高电压转换器是单片 CMOS 电压转换 IC,与其他类似器件相比,具有显著的性能优势。 它们是行业标准 ICL7660 的直接替代产品,可提供高达 12V 的扩展工作电源电压范围和更低的电源电流。 该器件集成了一个加快频率的引脚,使用户能够在使用较小电容器的情况下实现更低的输出阻抗。 所有改进都在数据表第 3 页的“电气规格”部分中突出显示。 在整个商业和工业温度范围内保证关键参数。 ICL7660S 和 ICL7660A 在输入范围为 1 时执行从正到负的电源电压转换。5V 至 12V,产生 -1 的互补输出电压。5V 至 -12V。 只需要两个非关键的外部电容器,就能够使用电荷泵和电荷储存器功能。 ICL7660S 和 ICL7660A 可以连接起来用作电压倍增器,在 12V 输入时产生高达 22.8V 的电压。 它们还可以用作电压倍增器或电压分压器。 每个芯片包含一个串联直流电源稳压器、RC 振荡器、电压电平转换器和四个输出功率 MOS 开关。 振荡器在空载时以 10 kHz 的标称频率振荡,输入电源电压为 5.0V。 可以通过在 “OSC” 端子上添加一个外部电容器来降低该频率,否则振荡器将因外部时钟而过度驱动。 “LV” 端子可以连接到 GND,以绕过内部串联稳压器并改善低电压(LV)操作。 在中高电压(3.5V 至 12V)下,LV 引脚保持悬空状态,以防止器件闩锁。 在某些应用中,需要一个从 VOUT 到 CAP- 的外部肖特基二极管来保证无闩锁操作(请参阅数据表第 8 页的“注意事项”部分)。
产品参数
| 属性 | 值 |
|---|---|
| Input Voltage (Min) (V) | 1.5 |
| Input Voltage (Max) (V) | 12 |
| Output Voltage (Min) (V) | 1.5 |
| Output Voltage (Max) (V) | 22.8 |
| IOUT (Max) (mA) | 45 |
| IS (Typical) | 80 |
| IS (mA) | 0.18 |
| Switching Frequency Range (Typical) (kHz) | 10 - 35 |
| Qualification Level | Standard |
封装选项
| Pkg. Type | Pkg. Dimensions (mm) | Lead Count (#) | Pitch (mm) |
|---|---|---|---|
| SOICN | 4.9 x 3.9 x 0.00 | 8 | 1.3 |
应用
- +5V 至 ±5V 电源转换简单
- 电压倍增 VOUT = ±nVIN
- 用于数据采集系统和仪表的负电源
- RS232 电源
- 电源分配器,VOUT = ±VS
当前筛选条件
加载中