There are two types of optical-coupled MOSFETs (OCMOS FET, Solid State Relay, SSR): The "make" type ("a" contact: Normally open) and "break" type ("b" contact: Normally closed). The differences between these two types by operation are explained below.
"Make" Type ("a" Contact: Normally Open)
The "make" type contains a couple of enhancement-type MOSFETs. They shut off by application of no bias, and conduct by application of forward bias.
The initial state is "OFF".
ON

OFF

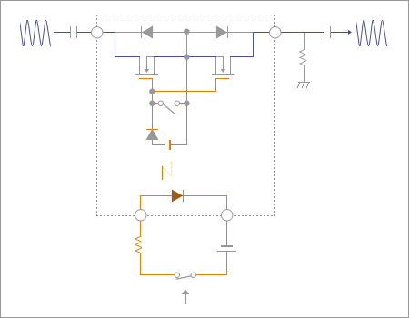
"Break" Type ("b" Contact: Normally Closed)
The "break" type contains a couple of depletion-type MOSFETs. They conduct by application of no bias, and shut off by application of reverse bias.
The initial state is "GO".
STOP

GO
