特性
- ±15kV (HBM) ESD protected bus pins (RS-232 or RS-485)
- Operates from a single 3.3V supply
- Two independent ports, port 1 set for RS-232 (2 Transceivers) and port 2 for RS-485/RS-422 (1 transceiver)
- True flow-through pinouts (Rx inputs and Tx outputs all on the same side) simplify board layouts
- Pb-free (RoHS compliant)
- Full fail-safe (open/short) RS-485/422 Port 2 Rx
- User selectable RS-485 data rates
- Fast speed: up to 20Mbps
- Slew rate limited: up to 115kbps
- Fast RS-232 data rate: up to 400kbps
- Small charge pump capacitors: 4 x 0.1μF
- Low current shutdown mode: 40μA
- QFN package saves board space (ISL33337E only)
描述
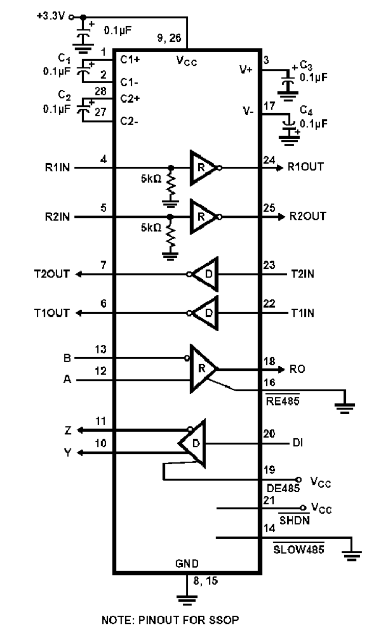
The ISL33334E, ISL33337E are two port interface ICs where port 1 is configured as a dual (2 Tx, 2 Rx) RS-232 transceiver and port 2 is a single RS-485/RS-422 transceiver. The on-board charge pump generates RS-232 compliant ±5V Tx output levels from a single VCC supply as low as 3. 15V. The transceivers are RS-232 compliant, with the Rx inputs handling up to ±25V. The port 2 transceiver supports both the RS-485 and RS-422 differential communication standards. The receiver features full fail-safe operation, so the Rx output remains in a high state if the inputs are open or shorted together. The transmitter supports two data rates, one of which is slew rate limited for problem free communication at low data rates. The active low Rx enable pin (RE485) allows Tx/Rx direction control, via a single signal, simply by connecting the corresponding DE485 and RE485 pins together. The ISL33334E and ISL33337E also include a shutdown function, which disables the Tx and Rx outputs, disables the charge pumps and places the IC in a low current (40μA) mode. The ISL33337E is a QFN packaged device for space constrained applications.
产品参数
| 属性 | 值 |
|---|---|
| Supported Protocols | RS-232, RS-422, RS-485 |
| Ports (#) | 2 |
| Tx/Rx per Port (#) | 2 |
| High ESD (kV) | 15 |
| Data Rate RS-485/RS-232 | 20, 0.115 |
| RS-485 Rx Failsafe Type | Full |
| VLOGIC Supply Pin? | No |
| RXEN Polarity | Low |
| Loopback Feature | No |
| Operating Supply Current Icc RS-485/RS-232 | 3.7 |
| SHDN ICC | 40 µA |
| VCC (V) | 3.3 |
封装选项
| Pkg. Type | Pkg. Dimensions (mm) | Lead Count (#) | Pitch (mm) |
|---|---|---|---|
| QFN | 6.0 x 6.0 x 0.90 | 40 | 0.5 |
当前筛选条件