特性
- Available in near chip scale QFN (5mmx5mm) package
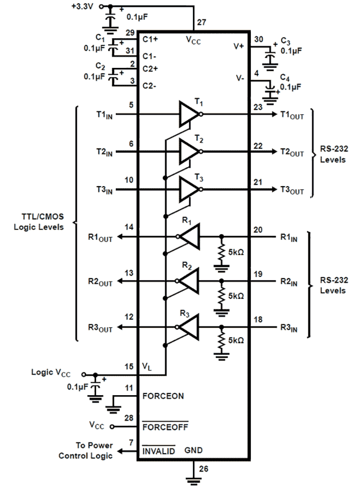
- VL supply pin for compatibility with mixed voltage systems
- ESD protection for RS-232 I/O pins to ±15kV (IEC61000)
- Manual and enhanced automatic powerdown features
- Meets EIA/TIA-232 and V.28/V.24 specifications at 3V
- On-chip charge pumps require only four external 0.1µF capacitors
- Receivers stay active in powerdown
- Very low supply current: 300µA
- Guaranteed minimum data rate: 50kbps
- Wide power supply range: single +3V to +5.5V
- Low supply current in powerdown state: 300nA
- Pb-free (RoHS compliant)
描述
The ISL4270E is a 3. 0V to 5. 5V powered RS-232 transceiver that meets ElA/TIA-232 and V. 28/V. 24 specifications, even at VCC = 3. 0V. It provides ±15kV ESD protection (IEC61000-4-2 Air Gap and Human Body Model) on transmitter outputs and receiver inputs (RS-232 pins). Targeted applications are notebook and laptop computers where the low operational power consumption and even lower standby power consumption is critical. Efficient on-chip charge-pumps coupled with manual and enhanced automatic powerdown functions reduce the standby supply current to a 300nA trickle. The 5mmx5mm Quad Flat No-Lead (QFN) packaging and the use of small, low value capacitors ensure board space savings. Data rates greater than 250kbps are ensured at worst case load conditions. The ISL4270E features a VL pin that adjusts the logic pin output levels and input thresholds to values compatible with the VCC powering the external logic (for example, a UART). This device includes an enhanced automatic powerdown function that powers down the on-chip power-supply and driver circuits. Automatic powerdown occurs when all receiver and transmitter inputs detect no signal transitions for a period of 30 seconds. The ISL4270E automatically powers back up whenever it senses a transition on any transmitter or receiver input. Application Note AN9863 summarizes the features of each device comprising the 3V RS-232 family.
产品参数
| 属性 | 值 |
|---|---|
| Transmitters (#) | 3 |
| Receivers (#) | 3 |
| High ESD Protection | Yes |
| Data Rate (Mbps) | 0.5 |
| Supply Voltage Vcc Range | 3-5.5 |
| Manual Shutdown | Yes |
| Auto Shutdown | No |
| Rx Disable | No |
| Charge-pump Capacitance Value (µF) | 0.1 |
| IS Enabled (mA) | 0.3 |
| IS Disabled (μA) | 0.3 |
封装选项
| Pkg. Type | Pkg. Dimensions (mm) | Lead Count (#) | Pitch (mm) |
|---|---|---|---|
| QFN | 5.0 x 5.0 x 0.90 | 32 | 0.5 |
应用
- Any System Requiring RS-232 Communication Ports Battery Powered, Hand-Held, and Portable Equipment Laptop Computers, Notebooks, Palmtops Digital Cameras PDA's and PDA Cradles Cellular/Mobile Phones
当前筛选条件