| CAD 模型: | View CAD Model |
| Pkg. Type: | TQFN |
| Pkg. Code: | LSN |
| Lead Count (#): | 24 |
| Pkg. Dimensions (mm): | 3.99 x 3.99 x 0.75 |
| Pitch (mm): | 0.5 |
| Moisture Sensitivity Level (MSL) | 1 |
| Pb (Lead) Free | Yes |
| RoHS (ISL58792CRTZ) | 下载 |
| ECCN (US) | |
| HTS (US) |
| Lead Count (#) | 24 |
| Carrier Type | Tube |
| Moisture Sensitivity Level (MSL) | 1 |
| Pb (Lead) Free | Yes |
| Pb Free Category | Pb-Free 100% Matte Tin Plate w/Anneal-e3 |
| Temp. Range (°C) | See Datasheet |
| FMAX (MHz) | 1300 |
| Fall Time | 0.00045 |
| IOUT (A) | 1 |
| Internal Oscillator | Yes |
| Length (mm) | 4 |
| MOQ | 300 |
| Modulation | Adjustable |
| Output | Current |
| Parametric Applications | Combination DVD, CD, and Blue Writable Drives, BD Camcorders, BD Video Recorders |
| Pitch (mm) | 0.5 |
| Pkg. Dimensions (mm) | 4.0 x 4.0 x 0.75 |
| Pkg. Type | TQFN |
| Qualification Level | Standard |
| Rise Time (μs) | 0.65 |
| Supply Voltage (V) | 4.5 - 5.7 |
| Thickness (mm) | 0.75 |
| VS (Max) (V) | 5.7 |
| VS (Min) (V) | 4.5 |
| Width (mm) | 4 |
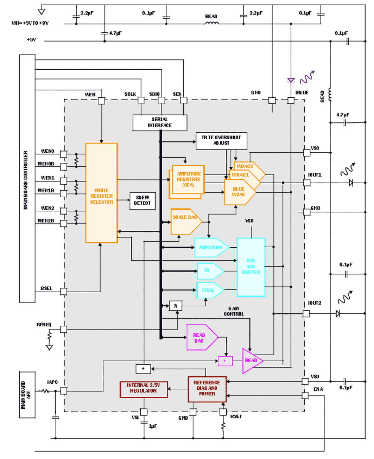
The ISL58792 is a highly integrated, single supply laser diode driver designed to support multi-standard writable optical drives in CD, DVD, and Blu-Ray formats at various speeds. It is a ‘hybrid’ part having an interface compatible with a conventional LDD, but an internal architecture similar to a write strategy LDD. This combination adds versatility to the conventional interface. The rise time, fall time and overshoot of all outputs are adjustable to compensate for high and low resistance lasers. The ISL58792 architecture includes dual write current banks, which can be selected using the bank select line, BSEL. This eliminates the need to synchronize the serial port to the media. The oscillator is internally activated through program assignment to attach to any WEN state. The WEN lines have internal 100 terminators. There is a skew detector on the WEN receiver outputs.